資深工程師張白帆以自己個人經歷為例分享CAD在機械制圖和電氣制圖以外的其他應用,CAD關鍵是要去實操,去發現和提煉。圖繪制得越多,自然就越熟練,對CAD的功能也就了解得更多。這是一種相輔相成的關系。
今天,借助網友的一個提問,我來給大家講講利用CAD制圖能做什么事情。
學習和使用CAD,我和大家一樣,也是為了繪制工程圖。剛剛入職時當了3個月的電工,然后又當了3個月的儀表工,接著就參加一條流水線的設計、改造和制作,從此,就和CAD打上交道,一直到現在。
離開國企來到外企,發現外企的制圖系統特別爛。外企的特點是:圖紙必須是純英文的,電腦上的操作系統和各種軟件也必須是英文的,海量的技術資料當然也是英文的。這就給設計工程師帶來麻煩,大家設計的圖紙極不規范,每個人都有自己的樣式。
征求了上司的意見后,我設計了第一版制圖系統,并建立的圖紙庫和圖塊庫,以及統一的圖紙模式,配套了CAD與EXCEL的自動關聯以便直接輸出元件表。從此以后,公司的制圖系統就統一了,制圖也方便了許多。
不過,我不想給大家介紹繪制機械圖和電氣圖,而是介紹一些CAD的其他運用。
第一類圖:家庭裝修工程圖:


全部裝修圖紙:

第二類圖,寫知乎帖子的圖紙總匯:

另外一個角落放大,然后以西南等測來觀察它:

其中一幅圖,此圖是昨天繪制的,放在講解某個無功功率的帖子中:

自己感覺不錯,挺美觀。
再看下圖:

還有這張,從西南等測圖的角度來看短路電流圖:

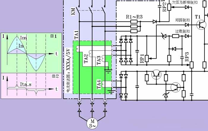
這是電動機保護裝置電路圖:

就說這么多吧。我寫書和寫帖子,其中的圖基本上都是自己繪制的,當然要排除掉照片了。基于知識產權的考慮,我很排斥直接用網上的圖。
由此可見,CAD能做的事多著呢,關鍵是我們要去實操,去發現和提煉。圖繪制得越多,自然就越熟練,對CAD的功能也就了解得更多。這是一種相輔相成的關系。
作者:張白帆(Patrick Zhang):ABB公司的資深電氣工程師,在知乎網擁有超過18萬粉絲的電氣領域大神。北京地鐵、首都機場T3航站樓、長江三峽永久船閘、上海磁懸浮列車、大亞灣核電站等數百項目中均留下他的足跡!已出版《低壓成套開關設備的原理及其控制技術》、《老帕講低壓電器技術》等圖書,廣受好評。





