
信號選擇器特點
◆高精度、高可靠性、高穩定性、長使用壽命
◆信號輸出控制方式有四種,分別是自動高選/低選、開關量控制、高/低電平控制
◆輸入/輸出/電源全隔離
◆低功耗、極低溫度漂移、抗強干擾
信號選擇器型號舉例
①YR9033A-00-G-AH
兩路輸入信號均為4-20mA,信號輸出控制方式為自動高選,輸出一路4-20mA信號
②YR9033A-00-G-AL
兩路輸入信號均為4-20mA,信號輸出控制方式為自動低選,輸出一路4-20mA信號
③YR9033A-00-G-DI
兩路輸入信號均為4-20mA,信號輸出控制方式為開關量控制,輸出一路4-20mA信號
④YR9033A-00-G-LS
兩路輸入信號均為4-20mA,信號輸出控制方式為高電平/低電平控制,輸出一路4-20mA信號

信號選擇器技術指標
◆ 產品類型:兩路輸入/一路輸出
◆ 控制方式(客戶指定):自動高選、自動低選、開關量控制輸出和高/低電平控制輸出
◆ 回差:≤0.5%
◆ 響應時間:0.05s(0-90%)(TYP)
◆ 波紋:<10mArms
◆ 精度:0.2%
◆ 溫度系數:50ppm/K的測量值/100Ω負載
◆ 耐壓強度:500VDC時100MΩ,2000VAC/分鐘
◆ 工作溫度:-25~+85℃
◆ 工作濕度:<90%RH(無凝結水)
◆ 電源:DC24V±10%
◆ 功耗:<2W
◆ 外殼材料:尼龍PA.66
◆ 重量:約200克
◆ 外形尺寸:16.5×106×112mm(寬×高×深,單位:mm)
◆ 質保:工業級信號選擇器質保36個月,軍品級信號選擇器質保60個月
信號選擇器選型表
YR9033A-①-②③-④-⑤
①儀表供電方式
[省略]:傳統端子供電(老款,逐漸停產)
[DR]:集中供電(新款)
②信號選擇器第一路輸入信號類型(兩路輸入信號類型應一致)
[0]:4-20mA輸入,輸入阻抗≤100Ω
[2]:0-5V,輸入阻抗≥100kΩ
[3]:0-10V,輸入阻抗≥100kΩ
[5]:0-10mA,輸入阻抗≤100Ω
[6]:0-20mA,輸入阻抗≤100Ω
③信號選擇器第二路輸入信號類型(兩路輸入信號類型應一致)
[0]:4-20mA輸入,輸入阻抗≤100Ω
[2]:0-5V,輸入阻抗≥100kΩ
[3]:0-10V,輸入阻抗≥100kΩ
[5]:0-10mA,輸入阻抗≤100Ω
[6]:0-20mA,輸入阻抗≤100Ω
④信號選擇器輸出信號類型(與輸入信號類型應一致)
[G]:直流4-20mA輸出,輸出阻抗≤500Ω
[A]:直流0-5V,輸出阻抗≥10kΩ
[B]:直流0-10V,輸出阻抗≥10kΩ
[E]:直流0-10mA,輸出阻抗≤1kΩ
[F]:直流0-20mA,輸出阻抗≤500Ω
⑤信號選擇器信號輸出控制方式
[AH]:自動選擇輸入高的一路信號輸出
[AL]:自動選擇輸入低的一路信號輸出
[DI]:開關量控制(開關斷開:選擇輸入第一路輸出;開關閉合:選擇輸入第二路輸出)
[LS]:電平控制[高電平(≥4V)):選擇輸入第一路輸出;低電平≤1V:選擇輸入第二路輸出]
選型舉例
端子供電:YR9033A-00-G-AH
端子供電:YR9033A-00-G-AL
端子供電:YR9033A-00-G-DI
端子供電:YR9033A-00-G-LS
集中供電:YR9033A-DR-00-G-AH
集中供電:YR9033A-DR-00-G-AL
集中供電:YR9033A-DR-00-G-DI
集中供電:YR9033A-DR-00-G-LS
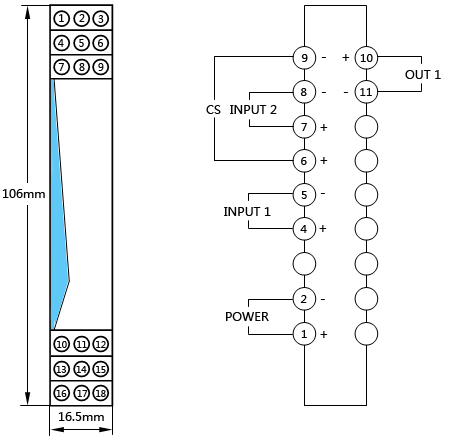
信號選擇器接線圖

注意:信號選擇器若為自動高選或自動低選輸出控制時,端子6和9不接線。
信號選擇器價格不在昌暉儀表網上公示,產品選型、價格咨詢和技術服務請聯系頁面上的網站客服或電話0871-65127691聯系。
