S7-300和S7-400的梯形圖(LAD)編程供S7程序員、操作員以及維護/維修人員使用。S7-300和S7-400的梯形圖(LAD)編程需要編程人員具有自動化技術的常規知識、具有計算機應用能力和其它類似于PC(例如,編程設備)的、使用MS Windows 2000專業版或MS Windows XP專業版操作系統的工作設備的知識和熟悉S7程序理論,這樣才能輕松進行西門子S7-300和S7-400編程,完成各種要求的工業自動化控制。
1.1 位邏輯指令概述
位邏輯指令使用1和0兩個數字。這兩個數字組成了名為二進制數字系統基礎。將1和0兩個數字稱作二進制數字或位。在觸點和線圈領域中,1表示激活或激勵狀態,0表示未激活或未激勵狀態。
位邏輯指令對1和0信號狀態加以解釋,并按照布爾邏輯組合它們。這些組合會產生由1或0組成的結果,稱作“邏輯運算結果”(RLO)。
由位邏輯指令觸發的邏輯運算可以執行各種功能。可以執行下列功能的位邏輯指令:
·---| |--- 常開觸點(地址)
·---(SAVE) 將RLO的狀態保存到BR
·---|/|--- 常閉觸點(地址)
·XOR 邏輯“異或”
·—( ) 輸出線圈
·---(#)--- 中間輸出
·---|NOT|--- 能流取反
RLO為1時將觸發下列指令:
·---(S) 置位線圈
·---(R) 重置線圈
·SR 復位優先型SR雙穩態觸發器
·RS 置位優先型RS雙穩態觸發器
其它指令將對上升沿或下降沿過渡做出反應,執行下列功能:
·---( N )--- RLO負跳沿檢測
·---( P )--- RLO正跳沿檢測
·NEG 地址下降沿檢測
·POS 地址上升沿檢測
·立即讀取
·立即寫入
1.2 ---| |--- 常開觸點(地址)
符號:<address>
---| |---
| 參數 | 數據類型 | 內存區域 | 說明 |
| <address> | BOOL | I、Q、M、L、D、T、C |
選中的位 |
狀態字:
| BR | CC 1 | CC 0 | OV | OS | OR | STA | RLO | /FC | |
| 寫: | - | - | - | - | - | X | X | X | 1 |

滿足下列條件之一時,將會通過能流:①輸入端I0.0和I0.1的信號狀態為“1”時;②或輸入端I0.2的信號狀態為“1”時1
1.3 ---|/|--- 常閉觸點(地址)
符號:<address>
---|/|---
| 參數 | 數據類型 | 內存區域 | 說明 |
| <address> | BOOL | I、Q、M、L、D、T、C | 選中的位 |
狀態字:
| BR | CC 1 | CC 0 | OV | OS | OR | STA | RLO | /FC | |
| 寫: | - | - | - | - | - | X | X | X | 1 |

滿足下列條件之一時,將會通過能流:①輸入端I0.0和I0.1的信號狀態為“1”時;②或輸入端I0.2的信號狀態為“1”時。
1.4 XOR 邏輯“異或”
對于XOR函數,必須按以下所示創建由常開觸點和常閉觸點組成的程序段。
符號:

說明:XOR(邏輯“異或”)如果兩個指定位的信號狀態不同,則創建狀態為“1”的RLO。
實例:

如果(I0.0=“0”且I0.1=“1”)或者(I0.0=“1”且I0.1=“0”),輸出Q4.0將是“1”。
1.5 --|NOT|-- 能流取反
符號:---|NOT|---
說明:---|NOT|--- (能流取反)取反RLO位。
狀態字:
| BR | CC 1 | CC 0 | OV | OS | OR | STA | RLO | /FC | |
| 寫: | - | - | - | - | - | - | 1 | X | - |

滿足下列條件之一時,輸出端Q4.0的信號狀態將是“0”:①輸入端I0.0的信號狀態為“1”時;②或當輸入端I0.1和I0.2的信號狀態為“1”時。
1.6 ---( ) 輸出線圈
符號:<address>
---( )
| 參數 | 數據類型 | 內存區域 | 說明 |
| <address> | BOOL | I、Q、M、L、D |
分配位 |
MCR (主控繼電器)依存關系
只有在將輸出線圈置于激活的MCR區內時,才會激活MCR依存關系。在激活的MCR區內,如果MCR處于接通狀態并且輸出線圈有能流通過,將把尋址位設置為能流的當前狀態。如果MCR處于斷開狀態,則無論能流狀態如何,都會將邏輯“0”寫入指定地址。
狀態字:
| BR | CC 1 | CC 0 | OV | OS | OR | STA | RLO | /FC | |
| 寫: | - | - | - | - | - | 0 | X | - | 0 |

滿足下列條件之一時,輸出端Q4.0的信號狀態將是“1”:
①輸入端I0.0和I0.1的信號狀態為“1”時
②或輸入端I0.2的信號狀態為“0”時。
滿足下列條件之一時,輸出端Q4.1的信號狀態將是“1”:
①輸入端I0.0和I0.1的信號狀態為“1”時
②或輸入端I0.2的信號狀態為“0”、輸入端I0.3的信號狀態為“1”時
如果實例梯級在激活的MCR區之內:
①MCR處于接通狀態時,將按照上述能流狀態置位Q4.0和Q4.1。
②MCR處于斷開狀態(=0)時,無論是否有能流通過,都將Q4.0和Q4.1復位為0。
1.7 ---(#)--- 中間輸出
符號:<address>
---(#)---
| 參數 | 數據類型 | 內存區域 | 說明 |
| <address> | BOOL | I、Q、M、*L、D | 分配位 |
說明:---(#)--- (中間輸出)是中間分配單元,它將RLO位狀態(能流狀態)保存到指定<地址>。中間輸出單元保存前面分支單元的邏輯結果。以串聯方式與其它觸點連接時,可以像插入觸點那樣插入---(#)---不能將---(#)---單元連接到電源軌道、直接連接在分支連接的后面或連接在分支的尾部。使用---|NOT|---(能流取反)單元可以創建取反---(#)---。
MCR (主控繼電器)依存關系
只有在將中間輸出線圈置于激活的MCR區內時,才會激活MCR依存關系。在激活的MCR區內,如果MCR處于接通狀態并且中間輸出線圈有能流通過,將把尋址位設置為能流的當前狀態。如果MCR處于斷開狀態,則無論能流狀態如何,都會將邏輯“0”寫入指定地址。
狀態字:
| BR | CC 1 | CC 0 | OV | OS | OR | STA | RLO | /FC | |
| 寫: | - | - | - | - | - | 0 | X | - | 1 |
實例:


1.8 ---(R) 復位線圈
符號:<address>
---(R)
| 參數 | 數據類型 | 內存區域 | 說明 |
| <address> | BOOL | I、Q、M、L、D、T、C | 復位 |
MCR (主控繼電器)依存關系
只有將復位線圈置于激活的MCR區內時,才會激活MCR依存。在激活的MCR區內,如果MCR處于接通狀態并且復位線圈有能流通過,將把尋址位狀態復位為“0”。如果MCR處于斷開狀態,則無論能流狀態如何,單元指定地址的當前狀態均保持不變。
狀態字:
| BR | CC 1 | CC 0 | OV | OS | OR | STA | RLO | /FC | |
| 寫: | - | - | - | - | - | 0 | X | - | 0 |

滿足下列條件之一時,將把輸出端Q4.0的信號狀態復位為“0”:
①輸入端I0.0和I0.1的信號狀態為“1”時
②或輸入端I0.2的信號狀態為“0”時。
③如果RLO為“0”,輸出端Q4.0的信號狀態將保持不變。
滿足下列條件時才會復位定時器T1的信號狀態:輸入端I0.3的信號狀態為“1”時。
滿足下列條件時才會復位計數器C1的信號狀態:輸入端I0.4的信號狀態為“1”時。
如果實例梯級在激活的MCR區之內:
①MCR處于接通狀態時,將按以上所述復位Q4.0、T1和C1。
②MCR處于斷開狀態時,無論RLO的狀態(能流狀態)如何,Q4.0、T1和C1的狀態均保持不變。
1.9 ---(S) 置位線圈
符號:<address>
---(S)
| 參數 | 數據類型 | 內存區域 | 說明 |
| <address> | BOOL | I、Q、M、L、D | 置位 |
MCR (主控繼電器)依存關系
只有將置位線圈置于激活的MCR區內時,才會激活MCR依存關系。在激活的MCR區內,如果MCR處于接通狀態并且置位線圈有能流通過,將把尋址位的狀態置位為“1”。如果MCR處于斷開狀態,則無論能流狀態如何,單元指定地址的當前狀態均保持不變。
狀態字:
| BR | CC 1 | CC 0 | OV | OS | OR | STA | RLO | /FC | |
| 寫: | - | - | - | - | - | 0 | X | - | 0 |

滿足下列條件之一時,輸出端Q4.0的信號狀態將是“1”:①輸入端I0.0和I0.1的信號狀態為“1”時;②或輸入端I0.2的信號狀態為“0”時。
如果RLO為“0”,輸出端Q4.0的信號狀態將保持不變。
如果實例梯級在激活的MCR區之內:
MCR處于接通狀態時,則按以上所述置位Q4.0。
MCR處于斷開狀態時,無論RLO狀態(能流狀態)如何,Q4.0狀態均保持不變。
1.10 RS 置位優先型RS雙穩態觸發器
符號:

| 參數 | 數據類型 | 內存區域 | 說明 |
| <address> | BOOL | I、Q、M、L、D | 置位或復位 |
| S | BOOL | I、Q、M、L、D | 啟用復位指令 |
| R | BOOL | I、Q、M、L、D | 啟用復位指令 |
| Q | BOOL | I、Q、M、L、D | <地址>的信號狀態 |
則置位觸發器。如果兩個輸入端的RLO均為“1”,則指令的執行順序是最重要的。
RS觸發器先在指定<地址>執行復位指令,然后執行置位指令,以使該地址在執行余下的程序掃描過程中保持置位狀態。
只有在RLO為“1”時,才會執行S(置位)和R(復位)指令。這些指令不受RLO“0”的影響,指令中指定的地址保持不變。
MCR (主控繼電器)依存關系
只有將RS觸發器置于激活的MCR區內時,才會激活MCR依存關系。在激活的MCR區內,如果MCR處于接通狀態,則按以上所述將尋址位復位為“0”或置位為“1”。如果MCR處于關閉狀態,則無論輸入狀態如何,指定地址的當前狀態均保持不變。
狀態字:
| BR | CC 1 | CC 0 | OV | OS | OR | STA | RLO | /FC | |
| 寫: | - | - | - | - | - | X | X | X | 1 |

如果輸入端I0.0的信號狀態為“1”,I0.1的信號狀態為“0”,則置位存儲器位M0.0,輸出Q4.0將是“0”。否則,如果輸入端I0.0的信號狀態為“0”,I0.1的信號狀態為“1”,則復位存儲器位M0.0,輸出Q4.0將是“1”。如果兩個信號狀態均為“0”,則不會發生任何變化。如果兩個信號狀態均為“1”,將因順序關系執行置位指令;置位M0.0,Q4.0將是“1”。
如果實例在激活的MCR區之內:
MCR處于打開狀態時,將按以上所述復位或置位Q4.0;MCR處于關閉狀態時,無論輸入狀態如何,Q4.0均保持不變。
1.11 SR 復位優先型SR雙穩態觸發器
符號:

說明:如果SR的S輸入端的信號狀態為“1”,R輸入端的信號狀態為“0”,則置位SR(復位優先型SR雙穩態觸發器)。否則,如果S輸入端的信號狀態為“0”,R輸入端的信號狀態為“1”,則復位觸發器。如果兩個輸入端的RLO均為“1”,則指令的執行順序是最重要的。SR觸發器先在指定<地址>執行置位指令,然后執行復位指令,以使該地址在執行余下的程序掃描過程中保持復位狀態。只有在RLO為“1”時,才會執行S(置位)和R(復位)指令。這些指令不受RLO“0”的影響,指令中指定的地址保持不變。
MCR (主控繼電器)依存關系
只有將SR觸發器置于激活的MCR區內時,才會激活MCR依存關系。在激活的MCR區內,如果MCR處于接通狀態,則按以上所述將尋址位置位為“1”或復位為“0”。如果MCR處于關閉狀態,則無論輸入狀態如何,指定地址的當前狀態均保持不變。
狀態字:
| BR | CC 1 | CC 0 | OV | OS | OR | STA | RLO | /FC | |
| 寫: | - | - | - | - | - | X | X | X | 1 |

如果輸入端I0.0的信號狀態為“1”,I0.1的信號狀態為“0”,則置位存儲器位M0.0,輸出Q4.0將是“1”。否則,如果輸入端I0.0的信號狀態為“0”,I0.1的信號狀態為“1”,則復位存儲器位M0.0,輸出Q4.0將是“0”。如果兩個信號狀態均為“0”,則不會發生任何變化。如果兩個信號狀態均為“1”,將因順序關系執行復位指令;復位M0.0,Q4.0將是“0”。
如果實例在激活的MCR區之內:
MCR處于打開狀態時,將按以上所述置位或復位Q4.0;MCR處于關閉狀態時,無論輸入狀態如何,Q4.0均保持不變。
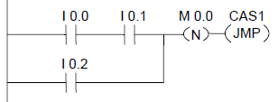
1.12 ---(N)--- RLO負跳沿檢測
符號:<address>
---(N)
| 參數 | 數據類型 | 內存區域 | 說明 |
| <address> | BOOL | I、Q、M、L、D | 邊沿存儲位,存儲RLO的上一信號狀態 |
狀態字:
| BR | CC 1 | CC 0 | OV | OS | OR | STA | RLO | /FC | |
| 寫: | - | - | - | - | - | 0 | X | X | 1 |
實例:

邊沿存儲位M0.0保存RLO的先前狀態。RLO的信號狀態從“1”變為“0”時,程序將跳轉到標號CAS1。
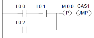
1.13 ---(P)--- RLO正跳沿檢測
符號:<address>
---(P)---
| 參數 | 數據類型 | 內存區域 | 說明 |
| <address> | BOOL | I、Q、M、L、D | 邊沿存儲位,存儲RLO的上一信號狀態 |
狀態字:
| BR | CC 1 | CC 0 | OV | OS | OR | STA | RLO | /FC | |
| 寫: | - | - | - | - | - | 0 | X | X | 1 |

邊沿存儲位M0.0保存RLO的先前狀態。RLO的信號狀態從“0”變為“1”時,程序將跳轉到標號CAS1。
1.14 ---(SAVE) 將RLO狀態保存到BR
符號:---(SAVE)
說明:---(SAVE)(將RLO狀態保存到BR)將RLO保存到狀態字的BR位。未復位第一個校驗位/FC。因此,BR位的狀態將包含在下一程序段的AND邏輯運算中。
指令“SAVE”(LAD、FBD、STL)適用下列規則,手冊及在線幫助中提供的建議用法并不適用:
建議用戶不要在使用SAVE后在同一塊或從屬塊中校驗BR位,因為這期間執行的指令中有許多會對BR位進行修改。建議用戶在退出塊前使用SAVE指令,因為ENO輸出(= BR位)屆時已設置為RLO位的值,所以可以檢查塊中是否有錯誤。
狀態字:
| BR | CC 1 | CC 0 | OV | OS | OR | STA | RLO | /FC | |
| 寫: | X | - | - | - | - | - | - | - | - |
實例:

將梯級(=RLO)的狀態保存到BR位。
1.15 NEG 地址下降沿檢測
符號
| 參數 | 數據類型 | 內存區域 | 說明 |
| <address1> | BOOL | I、Q、M、L、D | 已掃描信號 |
| <address2> | BOOL | I、Q、M、L、D | M_BIT邊沿存儲位,存儲<address1>的前一個信號狀態 |
| Q | BOOL | I、Q、M、L、D | 單觸發輸出 |
狀態字:
| BR | CC 1 | CC 0 | OV | OS | OR | STA | RLO | /FC | |
| 寫: | X | - | - | - | - | X | 1 | X | 1 |

滿足下列條件時,輸出Q4.0的信號狀態將是“1”:
·輸入I0.0、I0.1和I0.2的信號狀態是“1”
·輸入I0.3有下降沿
·輸入I0.4的信號狀態為“1”
1.16 POS 地址上升沿檢測
符號:
| 參數 | 數據類型 | 內存區域 | 說明 |
| <address1> | BOOL | I、Q、M、L、D | 已掃描信號 |
| <address2> | BOOL | I、Q、M、L、D | M_BIT邊沿存儲位,存儲<address1>的前一個信號狀態 |
| Q | BOOL | I、Q、M、L、D | 單觸發輸出 |
狀態字:
| BR | CC 1 | CC 0 | OV | OS | OR | STA | RLO | /FC | |
| 寫: | X | - | - | - | - | X | 1 | X | 1 |

滿足下列條件時,輸出Q4.0的信號狀態將是“1”:
·輸入I0.0、I0.1和I0.2的信號狀態是“1”
·輸入I0.3有上升沿
·輸入I0.4的信號狀態為“1”
1.17 立即讀取
說明:對于“立即讀取”功能,必須按以下實例所示創建符號程序段。
對于對時間要求苛刻的應用程序,對數字輸入的當前狀態的讀取可能要比正常情況下每OB1掃描周期一次的速度快?!傲⒓醋x取”在掃描“立即讀取”梯級時從輸入模塊中獲取數字輸入的狀態。否則,必須等到下一OB1掃描周期結束,屆時將以P存儲器狀態更新I存儲區。
要從輸入模塊立即讀取一個輸入(或多個輸入),請使用外設輸入(PI)存儲區來代替輸入(I)存儲區。可以字節、字或雙字形式讀取外設輸入存儲區。因此,不能通過觸點(位)元素讀取單一數字輸入。
根據立即輸入的狀態有條件地傳遞電壓:
①CPU讀取包含相關輸入數據的PI存儲器的字。
②如果輸入位處于接通狀態(為“1”),將對PI存儲器的字與某個常數執行產生非零結果的AND運算。
③測試累加器的非零條件。
實例:可以立即讀取外設輸入I1.1的梯形圖程序段

必須指定*MWx,才能存儲程序段。x可以是允許的任何數。
WAND_W指令說明:
PIW1 0000000000101010
W#16#0002 0000000000000010
結果 0000000000000010
在此實例中,立即輸入I1.1與I4.1和I4.5串聯。
字PIW1包含I1.1的立即狀態。對PIW1與W#16#0002執行AND運算。如果PB1中的I1.1(第二位)為真(“1”),則結果不等于零。如果WAND_W指令的結果不等于零,觸點A<>0時將傳遞電壓。
1.18 立即寫入
說明:對于“立即寫入”功能,必須按以下實例所示創建符號程序段。
對于對時間要求苛刻的應用程序,將數字輸出的當前狀態發送給輸出模塊的速度可能必須快于正常情況下在OB1掃描周期結束時發送一次的速度?!傲⒓磳懭搿睂⒃趻呙琛傲⒓磳懭搿碧菁墪r將數字輸出寫入輸入模塊。否則,必須等到下一OB1掃描周期結束,屆時將以P存儲器狀態更新Q存儲區。
要將一個輸出(或多個輸出)立即寫入輸出模塊,請使用外設輸出(PQ)存儲區來代替輸出(Q)存儲區。可以字節、字或雙字形式讀取外設輸出存儲區。因此,不能通過線圈單元更新單一數字輸出。要立即向輸出模塊寫入數字輸出的狀態,將根據條件把包含相關位的Q存儲器的字節、字或雙字復制到相應的PQ存儲器(直接輸出模塊地址)中。
當心
·由于Q存儲器的整個字節都寫入了輸出模塊,因此在執行立即輸出時,將更新該字節中的所有輸出位。
·如果輸出位在程序各處產生了多個中間狀態(1/0),而這些狀態不應發送給輸出模塊,則執行“立即寫入”可能會導致危險情況(輸出端產生瞬態脈沖)發生。
·作為常規設計原則,在程序中只能以線圈形式對外部輸出模塊引用一次。如果用戶遵循此設計原則,則可以避免使用立即輸出時的大多數潛在問題。
實例
立即寫入外設數字輸出模塊5通道1的等價梯形圖程序段。
可以修改尋址輸出Q字節(QB5)的狀態位,也可以將其保持不變。程序段1中給Q5.1分配I0.1信號狀態。將QB5復制到相應的直接外設輸出存儲區(PQB5)。
字PIW1包含I1.1的立即狀態。對PIW1與W#16#0002執行AND運算。如果PB1中的I1.1(第二位)為真(“1”),則結果不等于零。如果WAND_W指令的結果不等于零,觸點A<>0時將傳遞電壓。

在此實例中,Q5.1為所需的立即輸出位;字節PQB5包含Q5.1位的立即輸出狀態;MOVE(復制)指令還會更新PQB5的其它7位。
學習PLC編程是一個枯燥和需要堅持的過程,您讀完這篇文章,請用您的耐心將下面文章全部讀完并動手操作,不久的將來一個西門PLC編程高手將在不斷實踐和應用中誕生!!
