S7-300 PLC是西門子產品應用最多的PLC,由于西門子其他系列的PLC系統的特性與S7-300 PLC產品均類似,因此介紹的PLC接地規范適用于所有PLC系列。
1、西門子S7-300 PLC系統接地的總原則
對于PLC及控制系統整體的供電及接地的要求,主要有以下幾點原則:
①系統主回路采用三相五線制供電,主回路須增加相應的開關及保護裝置。
②負載電源從主回路供電中取電,如果是多個負載電源,則應按照負載均衡的原則進行分配。
③負載側電源,無論是直流還是交流,均應增加短路和過載保護。
④系統接地電阻不大于4歐姆。
⑤機柜中的接地母線與系統的PE線相連。
⑥機柜的外殼、設備安裝背板均應保證通過金屬部件連接在一起,并與接地母線相連。
⑦設備安裝背板應考慮EMC特性(例如采用鍍鋅板)。
⑧系統中的電氣設備的PE端子應與接地母線相連,并保證就近相連以及連接電纜盡量粗、盡量短的原則。
⑨應注意柜內電氣設備的其他接地要求。
關于這些原則,請參考西門子S7-300 PLC的供電及接地原理圖,如圖1所示。

圖1 西門子PLC系統供電、接地原理圖
說明:1為主令開關;2為短路和過載保護;3為負載電流源(電氣隔離);4為接地導體的可拆卸連接,用于定位接地故障;5為CPU(非CPU 31×C)的接地滑動觸點。
2、西門子S7-300 PLC系統的接地規范
①電源模板(PS307)的接地要求
對于電源模板,供電均采用AC220V/120V電源(電源需要連接PE線)。電源模板輸出為CPU及模板提供DC24V電源,如圖2所示。

圖2 PS電源和CPU連接示意圖
說明:1為電源電纜上的電纜夾;2為PS電源和CPU連接電纜;3為可拆卸的電源連接器
注意: 如果將M和L+端子的極性接反,則CPU的內部熔絲便會熔斷。始終將電源模塊的M和L+端子與CPU的這兩個端子互連。
②CPU的接地連接
A、CPU 31×接參考地電位
在西門子S7-300的CPU的電源端子處,插著一個滑動金屬片,將該滑動金屬推進去時,DC24V的M端將通過該滑動金屬片與CPU的安裝導軌相連,通過導軌實現接地,所有從M來的干擾電流都可以被釋放至接地導線/地,如圖3所示。

圖3 CPU 31×的接地參考接地示意圖(默認狀態)
說明:1為處于接地狀態的接地滑動觸點;2為內部CPU的接地電位;3為裝配導軌
默認情況下,滑動金屬片都是推進去的。當安裝具有接地參考電位的S7-300時,不要拔出接地滑動觸點。實際設備中如圖4所示。

圖4 CPU上的滑動金屬片未拔出
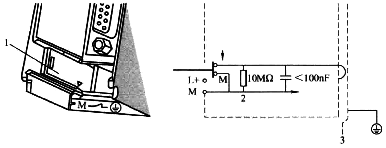
B、CPU 31×浮地系統
如果系統的“地”不干凈,或希望將系統做出浮地的,則可以將該金屬滑動片撬出,此時M和導軌分開,系統與“地”是不直接相連的,而是通過RC回路進行隔離連接的。如圖5所示。

圖5 CPU 31×的未接地參考電位示意
說明:1為CPU中創建未接地參考電位 用大口3.5mm的螺絲刀順箭頭方向往前推動接地滑動觸點;2為內部CPU的接地電位;3為裝配導軌。
注意: 應在導軌上安裝設備之前首先設置未接地參考電位。如果已經安裝并且用導線連接了CPU,則在拔出接地滑動觸點之前可能不得不斷開MPI接口。實際設備中如圖6所示。

圖6 拔出CPU上的金屬滑動片
③I/O模板的接地要求
A、數字量模板
S7-300系列的數字量輸入/輸出模板并不需要特殊額外的接地處理,只是對于提高系統EMC特性來講,需注意以下幾點:
◆ 數字量輸入/輸出的導線長度要求:1000m屏蔽線,600m非屏蔽線。
◆ 屏蔽電纜處理屏蔽層時用金屬夾夾住編織帶屏蔽層。保證大面積的接觸屏蔽層,并提供適當的接觸壓力。圖7顯示了使用電纜夾安
裝屏蔽電纜的幾種處理方式。

圖7 電纜夾安裝屏蔽電纜示意圖
實際的安裝可參考圖8所示。

圖8 屏蔽層通過電纜夾卡在柜內接地排上
而數字量輸出模塊有時需進行抑制保護。但由于S7-300數字輸出模塊內部集成了浪涌抑制器,因此對于電感設備來講,僅在下列情況之下才需要附加的浪涌抑制設備:
◆ SIMATIC輸出回路可以用外部的設備(如繼電器觸點)來切斷;
◆ 如果感性負載不由SIMATIC模塊控制。
a、DC線圈
采用二極管或齊納二極管可以抑制直流電源驅動的線圈所產生的浪涌電壓,如圖9所示。

圖9 DC線圈的浪涌抑制
圖10是直流接觸器上增加續流二極管的實際應用。

圖10 直流接觸器上的續流二極管
用二極管或齊納二極管作抑制器具有下列特點:
◆ 可避免開關動作時產生的過電壓,齊納二極管有較高的關斷電壓;
◆ 提高了關斷延遲時間(比沒有抑制器時高出6-9倍)。由齊納二極管組成的抑制器的關斷比二極管抑制器快。
b、AC線圈
用壓敏電阻或RC網絡可抑制以AC電源驅動的線包所產生的浪涌電壓,如圖11所示。

圖11 AC線圈的浪涌抑制
圖12是交流接觸器上增加壓敏電阻和RC回路的實際應用。

圖12 交流接觸器上的續流回路(壓敏電阻和RC回路)
用壓敏電阻作抑制器具有下列特點:
◆ 開關時的過電壓的幅度可以被限制,但不能衰減;
◆ 浪涌電壓陡峭的上升沿仍保持不變;
◆ 關斷延時短;
◆ 另外,壓敏電阻有電壓幅值的要求(一般是高于正常工作電壓的10%),不能長時間的過壓,否則有可能損壞。
用RC回路作抑制器具有下列特點:
◆ 開關時的過電壓的幅度和陡峭的上升沿都被降低;
◆ 關斷延時短。
B、模擬量模板的接地要求:
a、模擬量信號電纜的一般要求:
◆ 模擬量信號線采用屏蔽電纜;
◆ 模擬量信號線盡量短,其中模擬量輸入最長200m屏蔽線;若電壓范圍≤80mV且使用熱電偶時,最長50m(熱電偶模塊最長80m);模擬量輸出最長200米屏蔽線。
◆ 屏蔽層做接地處理,建議采用屏蔽線一端接地,并在模板側單端接地。模擬量線的屏蔽層的接地方法,如圖5所示。
b、電氣隔離模擬量輸入模塊
電氣隔離模擬量輸入模塊在測量電路的參考點(MANA和/或M-)和CPU/IM 153的M端子間存在任何電位差VISO的風險,請務必使用信號隔離器SWP9034A模塊。
通過CPU/IM153的M和端子MANA之間的等電位互聯,可以避免電位差VISO超過限制值。
這里分為幾種情況:
情況I:將電氣隔離傳感器連接到電氣隔離模擬量模板,可以在接地模式或未接地模式操作CPU/IM 153,如圖13所示。

圖13 將電氣隔離傳感器連接到電氣隔離AI
在EMC干擾強烈的環境中,建議將M-和MANA連接,以防超出CMV的限制值。對于VCM≤2.5V的模擬量模塊,必須將M-和MANA互連(推薦連接處)。
VCM不得超過允許的電位差UCM(共模)。VCM故障可存在于
◆ 測量輸入(M+/M-)和測量電路的參考電位MANA之間
◆ 在測量輸入之間。
情況Ⅱ:將電氣隔離傳感器連接到非電氣隔離模擬量模板。可以在接地模式或未接地模式下操作CPU/IM 153,如圖14所示。

圖14 將電氣隔離傳感器連接到非電氣隔離AI
注意:連線并連接2線制傳感器和電阻型傳感器時,切勿將M-和MANA互連。在M-和MANA互連處生成均衡電流,并破壞測量值。
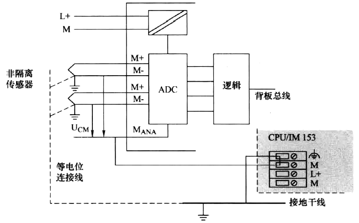
C、非隔離模擬量輸入模塊
非隔離傳感器與本地接地電位互連。使用非隔離傳感器時,請務必始終將MANA和本地接地點互連。
當地的環境條件或干擾都有可能引起本地分布的測量點之間的電位差VCM(靜態或動態)。如果超出VCM的最大值,請用等電位導線連接各測量點。
情況I:將非隔離傳感器連接到電氣隔離模擬量模板。將非隔離傳感器連接到電氣隔離模塊時,可在接地模式或未接地模式下操作CPU/IM 153,如圖15所示。

圖15 將非隔離傳感器連接到電氣隔離AI
情況Ⅱ:將1非隔離傳感器連接到非隔離模擬量模板。如果將非隔離傳感器連接到非隔離模塊,請務必在接地模式下操作CPU/IM 153,如圖16所示。

圖16 將非隔離傳感器連接到非電氣隔離AI
注意:不得將非隔離二線制傳感器/電阻傳感器連接到非隔離模擬量輸入!
D、模擬量輸出模板的連線及接地處理
對于模擬量輸出模板與負載之間的連線,與模擬量輸入的處理方法類似,這里不再詳細介紹,僅給出相應的圖例及說明。
情況Ⅰ:將4線負載連接到電氣隔離模塊的電壓輸出。采用4線負載電路可獲得更高的精度。對S-和S+傳感器線路直接接線并連接到負載。這樣即可直接測量和修正負載電壓。干擾和電壓突降可能會在檢測線路S-和模擬電路MANA的參考回路同產生電位差。此電位差不得超過設定的限制值。任何超過限制值的電位差都會對模擬信號的精度產生不利影響,如圖17所示。

圖17 負載到電氣隔離模擬量輸出模塊電壓輸出的4線制連接
情況Ⅱ:將2線制負載接線到非隔離模塊的電壓輸出。將負載連接到Qv端子和測量電路MANA的參考點,如圖18所示。在前連接器中,將端子S+互連到Qv,將端子S-互連到MANA;2線制電路不提供線路阻抗的補償。

圖18 負載到非隔離模擬量模塊電壓輸出的2線制連接
情況Ⅲ:電流型輸出。
◆ 將負載連接到電氣隔離模塊的電流輸出,如圖19所示。

圖19 將負載連接到電氣隔離模擬量輸出模塊的電流輸出
◆ 將負載連接到非隔離模擬量輸出模塊的電流輸出,如圖20所示。

圖20 將負載連接到非電氣隔離模擬量輸出模塊的電流輸出
E、接地電纜的要求
對于PLC系統,常用電纜的線徑和布線要求如下:
要求I:使用正確的導線確保線徑適合承載所需的電流,電源和CPU的接線條件見表1
表1 電源和CPU的接線條件

前連接器的接線條件見表2
表2 前連接器的接線條件

要求Ⅱ:系統布線分組(高壓/電源/信號/數據電纜),用單獨的管道或單獨的電纜束來布放高壓、信號或數據線。數據電纜和低壓電纜與其他電纜的布置要求見表3。
表3 數據電纜和低壓電纜與其他電纜的布置要求

中壓電纜和其他電纜的布置要求見表4
表4 中壓電纜和其他電纜的布置要求

大于400V電壓電纜和其他電纜的布置要求見表5
表4 大于400V電壓電纜和其他電纜的布置要求

要求Ⅲ:所有地線應盡可能地短且應使用大線徑。例如:最小直徑為10mm2。保護導體連接導軌接線如圖如21所示。

圖21 保護導體連接導軌連接示意圖
實際安裝如圖22所示。

圖22 現場安裝的導軌接地
注意: 請始終確保保護導體和導軌之間的低阻抗連接。可通過以下方法達到此目的:使用低阻抗電纜,盡可能地縮短該電纜的長度,使用較大的接觸表面積。
