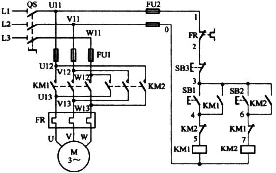
接觸器連鎖正反轉控制線路的主電路中連接了兩個接觸器,正反轉操作元器件放置在控制回路中,因此工作安全可靠。接觸器連鎖正反轉控制線路如圖1所示。

圖1 接觸器連鎖正反轉控制線路(電路圖讀者需要結合電氣圖形符號和電氣文字符號來學習)
在圖1中,主電路中連接了接觸器KM1和接觸器KM2,兩個接觸器主觸點連接方式不同,KM1按L1-U、L2-V、L3-W方式連接,KM2按L1-W、L2-V、L3-U方式連接。
在工作時,接觸器KM1、KM2主觸點嚴禁同時閉合,否則會造成L1、L3兩相電源直接短路。為了避免KM1、KM2主觸點同時得電閉合,分別給其各自的線圈串接了對方的常閉輔助觸點,當一個接觸器的線圈得電時會使自己的主觸點閉合,還會使自己的常閉觸點斷開,這樣另一個接觸器線圈就無法得電。接觸器的這種相互制約關系稱為接觸器的連鎖(也稱互鎖、聯鎖),實現聯鎖的常閉輔助觸點稱為連鎖觸點。
電動機正反轉控制線路工作原理分析如下:
1、閉合電源開關QS
2、正轉過程
①正轉聯鎖控制
按下正轉按鈕速SB1→KM1線圈得電→KM1主觸點閉合、KM1常開輔助觸點閉合、KM1常閉輔助觸點斷開→KM1主觸點閉合將L1、L2、L3三相電源分別供給電動機U、V、W端,電動機正轉;KM1常開輔助觸點閉合使得SB1松開后KM1線圈繼續得電(接觸器自鎖);KM1常閉輔助觸點斷開切斷KM2線圈的供電,使KM2主觸點無法閉合,實現KM1、KM2之間的連鎖。
②停止控制
按下停轉按鈕SB3→KM1線圈失電→KM1主觸點斷開、KM1常開輔助觸點斷開、KM1常閉輔助觸點閉合→KM1主觸點斷開使電動機斷電而停轉。
3、反轉過程
①反轉連鎖控制
按下反轉按鈕SB2→KM2線圈得電→KM2主觸點閉合、KM2常開輔助觸點閉合、KM2常閉輔助觸點斷開→KM2主觸點閉合將L1、L2、L3三相電源分別供給電動機W、V、U端,電動機反轉;KM2常開輔助觸點閉合SB2松開后KM2線圈繼續得電;KM2常閉輔助觸點斷開切斷KM1線圈的供電,使KM1主觸點無法閉合,實現KM1、KEM2之間的連鎖。
②停止控制
按下停轉按鈕SB3→KM2線圈失電→KM2主觸點斷開、KM2常開輔助觸點斷開、KM2常閉輔助觸點閉合→KM2主觸點斷開使電動機斷電而停轉。
4、斷開電源開關QS
對于接觸器連鎖正反轉控制線路,若將電動機由正轉變成反轉,需要先按下停止按鈕讓電動機停轉,是接觸器各觸點復位,再按反轉按鈕讓電動機反轉。如果在正轉時不按停止按鈕,而直接按反轉按鈕,由于連鎖的原因,反轉接觸器線圈無法得電而使控制無效。
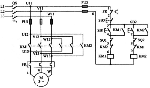
帶限位的正反轉控制電路
限位控制線路如圖2所示。從圖3可以看出,限位控制線路是在接觸器連鎖正反轉控制線路的控制電路中串接兩個行程開關SQ1、SQ2構成。

圖2 帶限位的接觸器連鎖正反轉控制線路

圖3 電動機正反轉控制+限位控制實物接線圖
帶限位的接觸器連鎖正反轉控制線路工作原理分析如下:
1、閉合電源開關QS
2、正轉控制過程
①正轉控制
按下正轉按鈕速SB1→KM1線圈得電→KM1主觸點閉合、KM1常開輔助觸點閉合、KM1常閉輔助觸點斷開→KM1主觸點閉合將L1、L2、L3三相電源分別供給電動機U、V、W端,電動機正轉;KM1常開輔助觸點閉合使得SB1松開后KM1線圈繼續得電(接觸器自鎖);KM1常閉輔助觸點斷開切斷KM2線圈的供電,使KM2主觸點無法閉合,實現KM1、KM2之間的連鎖。
②正向限位控制
當電動機正轉驅動運動部件運動到行程開關SQ1處→SQ1常閉觸點斷開(常開觸點未用)→KM1線圈失電→KM1主觸點斷開、KM1常開輔助觸點斷開、KM1常閉輔助觸點閉合→KM1主觸點斷開使電動機斷電而停轉→運動部件停止正向運動。
3、反轉控制過程
①反轉控制
按下反轉按鈕SB2→KM2線圈得電→KM2主觸點閉合、KM2常開輔助觸點閉合、KM2常閉輔助觸點斷開→KM2主觸點閉合將L1、L2、L3三相電源分別供給電動機W、V、U端,電動機反轉;KM2常開輔助觸點閉合SB2松開后KM2線圈繼續得電;KM2常閉輔助觸點斷開切斷KM1線圈的供電,使KM1主觸點無法閉合,實現KM1、KEM2之間的連鎖。
②反向限位控制
當電動機正轉驅動運動部件運動到行程開關SQ2處→SQ2常閉觸點斷開(常開觸點未用)→KM2線圈失電→KM2主觸點斷開、KM2常開輔助觸點斷開、KM2常閉輔助觸點閉合→KM2主觸點斷開使電動機斷電而停轉→運動部件停止反向運動。
4、斷開電源開關QS
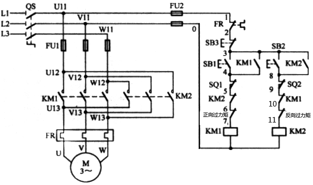
帶限位的正反轉控制線路在儀表行業應用很多,比如在多回轉閥門電動裝置中:多回轉閥門電動裝置控制線路是在接觸器連鎖正反轉控制線路中串接兩個行程開關和兩個過力矩開關構成。

