智能溫度傳感器是在半導體集成溫度傳感器的基礎上發展起來的。其主要優點是采用數字化技術,能以數字形式直接輸出被測溫度;能夠遠程傳輸數據;用戶可設定溫度上、下限,有越限自動報警功能;自帶總線接口,適配各種微處理器和單片機,便于開發具有一定智能功能的溫度測控系統。其中,DS1820就是典型的智能溫度傳感器。

DS1820基本特性
DS1820是美國生產的可組網數字式溫度傳感器。全部傳感元件及轉換電路集成在形如一只三極管的集成電路內。因體積小、轉換快、分辨率高、數字量傳輸等,使其在多點測溫、智能溫度檢測系統中應用。與其他溫度傳感器相比,DS1820具有以下特點:
①獨特的單線接口方式,DS8120在與微處理器連接時僅需要一條口線即可實現雙向通信。
②DS1820支持多點組網功能,一條總線上可以掛多片DS1820,最多可達248只。
③DS1820在使用中不需要任何外圍元件。
④測溫范圍為-55~125℃,固有測溫分辨率為0.5℃。若采用高分辨率模式,分辨率可達0.1℃。溫度/數字量轉換時間的典型值為220ms,最大值為500ms。
⑤測量結果以9位數字量方式串行傳送。
DS1820工作原理
DS1820的內部框圖如圖1所示,它包括三個主要的數據部件:64為ROM;溫度傳感器;溫度報警觸發器TH和TL。
說明:
1:電源檢測 2:64位ROM與單線接口
3:存儲器與控制邏輯 4:便箋式RAM
5:溫度傳感器 6:高溫觸發器TH
7:低溫觸發器TL 8:8位CRC發生器
圖1 DS1820內部框圖
DS1820測溫原理如圖2所示。圖中低溫度系數晶振的振蕩頻率受溫度影響很小,用于生產固定頻率的脈沖信號,其輸出給計數器1.高溫系數晶振的振蕩頻率隨溫度變化,所產生的信號反映被測溫度,作為計數器2的脈沖輸入。計數器1和溫度寄存器被預置在-55℃所對應的一個基數上。計數器1對低溫系數晶振產生的脈沖信號進行減法計數。當計數器1的預置值減到0時,溫度寄存器的值將加1,計數器1的預置將重新被裝入,計數器1重新開始對低溫系數晶振產生的脈沖信號進行計數。如此循環直到計數器2計數到0時,停止溫度寄存器值的累加,此時溫度寄存器中的數值即為所測溫度。圖中的斜率累加計數器用于補償和修正測溫過程中的非線性,其輸出用于修正計數器1的預設值。
說明
1:預設計數器 2:斜率累加計數器
3:低溫度系數振蕩器 4:減法計數器
5:計數比較器 6:預置計數器
7:減到零 8:溫度寄存器
9:高溫度系數振蕩器 10:減法計數器
11:減到零 12:增加
13:停止 14:設置/清除最低有效位
圖2 DS1820內部測溫電路框圖
DS1820屬于“單線-總線”技術芯片,所謂單線總線技術就是在一條總線上僅有一個主系統和若干個從系統組成的計算機應用系統。由于總線上的所有器件在不同的時間段驅動總線,這相當于把數據總線、地址總線和控制總線合在一起。所以整個系統要按單總線協議規定的時序進行工作。為了使其他設備也能使用這條總線,單線總線協議采用了一個三態門,使得每一個設備在不傳輸數據時空出該數據線給其他設備。單線總線在外部需要一個上拉電阻器,所以在一條總線上可掛接多個DS1820芯片。從DS1820讀出的信息或寫入DS1820的信息,僅需要一根口線(單線接口)。讀寫及溫度變換功率來源于數據總線,總線本身也可以向所掛接的DS1820供電,而無需額外電源。
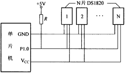
對DS1820的使用,多采用單片機實現數據采集。處理時將DS1820信號線與單片機一位口線相連,單片機可掛機額多片DS1820,從而實現多點溫度檢測系統。圖3所示是DS1820 與單片機電路接線示意圖,在單線總線上必須接上拉電阻,其電阻值約為5kΩ(標稱值可取5.1kΩ或4.7kΩ)。

圖3 多片DS1820與單片機的接線
DS1820使用注意事項
DS1820雖然具有測溫系統簡單、測溫精度高、連接方便、占用處理器I/0端口少等優點,但在實際應用中也應注意幾方面的問題:
①I/O的時序問題。較小的硬件開銷意味著相對復雜的軟件補償,DS1820與處理器間采用串行的數據通信,因此,在進行軟件設計時尤其是設計匯編程序時要注意I/O的時序。
②寄生電源供電問題。雖然DS1820支持寄生電源工作方式,但是當總線上所掛DS1820超過8個時,最好不采用寄生電源的供電方式、而采用電源直接供電的方式,以保證溫度測量的可靠性。
③總線上所掛DS1820數量問題。在進行多點測溫系統設計時應注意當單總線上所掛DS1820超過8個時,微處理器的總線驅動需要另外解決。
④避免總線斷線或元件接觸不好的問題。當向傳感器發出溫度轉換指令后,處理器還要等待DS1820的返回信號。一旦總線上的某一個元件接觸不好或斷線,就很容易造成沒有返回信號工程序會進入死循環。因此,在進行硬件連接和軟件設計時要格外注意。
⑤提高測量分辨率問題。DS1820內含暫存存儲器,共9個字節。字節0是溫度的低字節,它是以補碼的形式表示的。字節1表示的是符號,當溫度為正時是00H;當溫度為負時是11H。字節2和字節3是上下限報警值。字節4和字節5是保留字節。字節6存放計數器余值。字節7存放的是每攝氏度的計數值。字節8存放冗余校驗碼。DS1820本身可以達到0.5℃的溫度分辨率,為了滿足高分辨率的測量需求,可以直接從暫存存儲器中讀數進行運算。首先,讀取當前溫度值,將9位數據的最低位舍棄,變成一個8位數據記為A(由字節1和字節2決定),隨后讀取在門控周期停止后留在計數器中的殘留值(字節6)記為B,然后再讀取每一度生產的計數個數(字節7)記為C,最后用公式T=A+0.75-B/C計算實際溫度值T,可以得到0.1℃的溫度分辨率。
DS1820應用
①高速機車軸承監測。隨著鐵路的提速,機車速度的提高和牽引功率的增加,機車與鋼軌之間的沖擊、動力效應和振動增大,必然會導致機車行走部分的軸箱軸承、牽引電動機軸承、抱軸承和空心軸承的發熱增多。為了保障機車的高速安全運行,實時軸溫監測系統的應用非常重要。數字式智能溫度傳感器DS1820軸溫監測系統如圖4所示,該系統可隨意增減測溫點數,實時顯示各測點的溫度,超標時可聲光報警并記錄報警信息。

圖4 DS1820的軸溫監測系統
②地下電纜的溫度監測系統。熱電廠地下電纜的溫度監測系統采用圖5所示的分布式溫度巡檢系統。該系統共有9個子站,溫度傳感器采用DS1820??蓽y溫度點位183點,根據方向和位置的不同分屬于兩條總線,其中一條總線帶4個子站,另一條總線帶5個子站。整個系統的覆蓋變徑可達1000m左右。實際運行證明,該系統穩定可靠,能夠正確檢測出越限溫度,并完成所要求的其他各項任務,大大提高了勞動生產率。
1:PC主站
2:通信適配器
3:子站
4:測溫點
圖5 地下電纜的溫度監測系統結構框圖
由于DS1820具有單線掛接多個測溫元件,容易構成多點測溫,在測量中又無需進行通道切換,A/D轉換和結果修正,能夠直接讀出所測溫度。因此,系統結構簡單,使用方便。在常溫測量中有較大優勢,在工作過程控制、橋梁質量監測、空調系統、智能樓宇、糧倉、蔬菜大棚溫度控制等領域的溫度測量中有廣泛的應用。
