以圖文方式介紹電壓互感器接線、電流互感器接線和電能表接線,以最通俗方式讓電氣小白弄懂電能表、電壓互感器和電流互感器原理。
1、電壓互感器V/V接法

電壓互感器V/V接法3D示意圖 V/V接法電壓互感器原理圖
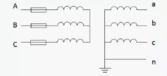
2、電壓互感器Y/Y接法

電壓互感器Y/Y接法3D示意圖 Y/Y接法電壓互感器原理圖
3、電流互感器不完全星型接法

電流互感器不完全星型接法3D示意圖 不完全星型接法電流互感器原理圖
4、電流互感器星型接法

星型接法電流互感器原理圖(適用10kV以上)

電壓互感器星型接法3D示意圖(400V) 星型接法電壓互感器原理圖(適用400V)
5、電能表接線示意圖

三相三線電能表組合接線示意圖(3×100V電能表+3×100V專變采集終端)

三相四線電能表組合接線示意圖(3×57.7V電能表+3×100V專變采集終端)

三相四線電能表組合接線示意圖(3×220V電能表+3×220V專變采集終端)
推薦閱讀
電壓互感器接線[深度好文]
電流互感器接線和選用[深度好文]
