文章論述長距離輸水控制系統的全局預覽、壓力自動調節、水位聯鎖保護、自動排泥、抗水擊保護、管路檢漏等六大功能。本案例在壓力自動調節過程中引入了信號選擇器功能模塊,利用低信號選擇器對輸入信號進行選擇輸出,對排水泵進、出口壓力實行自動調節。
1、輸水工藝系統
某公司五家溝至南陽坡輸水工程,日輸水量1000m3(日運行20h,小時輸水量50m3/h,管道全長7.587km,管路全線傍山路埋地敷設,沿線地形復雜,高差達104m,中途一處穿越河流時管路出地面沿管架跨越河流。工程起點為五家溝礦井水處理間,末端為南陽坡礦井接收水池。
五家溝礦井水池設加壓泵房一座,沿途設排泥井4座、閥門井4座、呼吸排氣井3座,為了便于運行管理及指明位置,每座閥門井均標識樁號。
在加壓泵房設置兩臺排水泵,一臺工作,一臺備用;在4座排泥井和4座閥門井分別設有電動閥門,用來實現系統的自動排泥和運行保護。工藝流程圖(帶測量點)如圖1所示。

圖1 長距離輸水工藝流程圖(帶測量點)
2、長距離輸水控制系統
①選型及特點
根據該工程管路長、閥門井分散、數量多且每個閥門井內檢測及控制設備數量少的特點,控制系統摒棄了采用常規光纖連接的有線傳輸方式,創新地采用了無線傳輸系統。 該無線控制系統, 屬于模塊化的微型自動化控制系統, 利用GPRS無線傳輸
。該系統能夠滿足中、小規模工程的性能要求,具有以下特點:
a、運用遠程無線傳輸的方式,技術先進、合理,無線傳輸方式將會成為長距離遠程控制的發展方向;
b、沒有通訊電纜的采購及施工費用,成本低、施工周期短;
c、控制中心具有信息化的管理軟件平臺,可以隨意查看各個監測點的運行數據;
d、系統運行參數調整簡易,同時系統可對設備狀態變化進行智能判斷,為決策提供數據支持;
e、簡單實用的分散式結構,當控制任務增加時,可以自由擴展,應用靈活;
f、易于操作、編程和維護。
控制系統配置框圖如圖2所示:

圖2 長距離輸水控制系統配置框圖
②控制系統的結構
控制系統由工業控制計算機(服務器和操作員站)、控制柜、GPRS接受發送裝置、網絡交換機、打印機等設備構成,系統功能強大,屬于具有現場設備層、過程控制層和監視控制層的三級控制網絡系統。
a、現場設備層由通過電纜硬接線連接的設備(如檢測儀表、電動閥門、電動機開關等)組成。現場設備層實現過程接口模塊與現場設備之間信號的雙向傳輸功能。如液位、流量檢測信號,電動機的運行、故障信號,電動閥門的位置信號等,均通過硬接線方式采集并上傳至過程接口模塊;電動機的起、停指令信號,電動閥門的開、關指令信號通過硬接線方式由過程接口模塊下傳至設備。
b、過程控制層由GPRS接受發送裝置、RS485通訊總線和1臺服務器(兼工程師站)組成。控制器因緊鄰服務器,所以采用RS485通訊總線直接與服務器連接。10個控制器分布于現場各個閥門井,遠離服務器。即便最近的控制器距離服務器亦有324.6m的距離,最遠的終端控制器距離服務器多達7.587km,所以在控制室內采用RS485通訊總線連接gprs接受發送裝置,通過該GPRS接受發送裝置與遠端控制器實現數據交換。
過程控制層網絡實現的功能如下:一是工程師站完成系統的組態與編程功能,并根據生產要求修改設定的工藝參數;二是完成服務器與控制器之間數據的雙向傳輸。如現場儀表信號、設備狀態、故障信號、工藝生產數據均通過RS485通訊總線由控制器傳輸至服務器;設備的操作指令信號通過RS485通訊總線由服務器傳輸至控制器。
c、監視控制層包括1臺操作員站、1臺網絡交換機、1臺激光打印機和1套監控軟件。
監視控制層實現的功能如下:控制系統圖形監控、動態圖形顯示、歷史數據查詢及調用、系統狀態診斷等功能,同時還具備系統報警顯示查詢,報表制作、生成數據庫、狀態趨勢顯示、生產調度的管理等功能。
③控制系統的可靠性設計
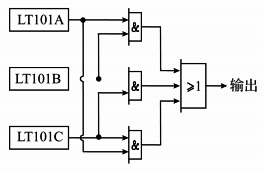
為了減少檢測設備的誤動作故障率和拒動作故障率,增加自動化控制系統的可靠性,對于重要的工藝參數檢測設置多重儀表,如對水池水位檢測儀表,分別在始、末水池各裝設三臺投入式水位計,采用 “三取二”信號法,供系統聯鎖、保護使用。。“三取二”信號法如圖3所示,表達式為:Y=AB+BC+CA。依據該表達式,該項目設置的“三取二”邏輯框圖如圖4所示(以始端水池為例)。這種多重化的信號攝取法,雖然增加了檢測設備的數量和投資,但對提高測量準確度,增加系統的可靠性,具有重要意義。

圖3 三取二信號法 圖4 三取二邏輯圖
④控制系統功能
控制系統主要實現以下功能:通過遠程控制泵組啟、停和閥門開、關,實現對輸水系統的遠程管理;運行和調度人員可通過控制室對整個輸水系統進行遠程監測和管理,可實時了解各環節的運行工況;采用監控終端實現對現場設備的集中監控管理、分散控制、數據共享;查詢各種歷史數據記錄,對系統運行數據進行科學統計和智能分析。
⑤全局預覽
控制系統將采集到的各類水位值、管道壓力值、泵站的三相電壓值、水泵的三相電流值、水泵運行狀態、故障狀態、流量值等工藝參數,實時顯示在操作員站上,以實現數據的實時監測,同時將各類歷史數據進行存儲,可供運行人員查看、調用、制作圖表并進行分析總結。
此外,根據工藝要求,設置水位超限、水泵故障、壓力超限、管路泄漏等工藝參數的報警閾值,在生產過程中,若工藝參數超過閾值,將觸發報警,以便運行人員及時做出處理。
⑥壓力自動調節功能
對于長距離密閉輸送管道而言,壓力調節是保證輸水泵正常工作和管道安全的重要措施。壓力自動調節系統用來調節泵進口壓力不低于允許的最低吸入壓力,出口壓力不高于管路的最高允許操作壓力,常用的調節方式有節流調節和轉速調節。根據工藝要求,該工程為節流調節,調節系統由泵進、 出口壓力變送器(PT100,PT101)、信號選擇器(PS101)、 PID調節器(PIC100、PIC101)及電動調節閥(MCV101)組成,這些由表中壓力變送器選用YR-ER102單晶硅壓力變送器、信號選擇器選用YR9033A-00-G-AL、PID調節器選用YR-GDA805-820-12-HLNN-N-P-T,如圖1所示。

單晶硅壓力變送器YR-ER102 信號選擇器YR9033A-00-G-AL PID調節器YR-GDA805-820-12-HLNN-N-P-T
調節原理如下:泵進口調節器PIC100設計為正作用,其壓力設定值為SP1;泵出口調節器PIC101設計為反作用,其壓力設定值為SP2。
a、當PT100≥SP1時, 調節器PIC100輸出信號增大,最大為20mA。
b、當PT100<SP1時, 調節器PIC100輸出信號減小。
c、當PT101≤SP2時, 調節器PIC100輸出信號增大,最大為20mA。
d、當PT101>SP2時, 調節器PIC101輸出信號減小。
兩個調節器的輸出信號分別進入低值信號選擇器PS101,選擇器輸出較小信號到電動調節閥MCV101,使調節閥在信號增大時 打開閥門,信號減小時關閉閥門。這樣,當PT100<SP1時,或當PT101>SP2時,關小閥門,使泵前壓力上升或閥后壓力下降;反之,當PT100≥SP1時,或當PT101≤SP2時,開大閥門,使泵前壓力下降或閥后壓力上升。
當泵前壓力高于設定值并且閥后壓力低于設定值時,應使閥門處于全開狀態。
在該系統中,PIC100、PIC101兩個調節器均選用PID調節器,系統設有HIC101手作器,當系統切換到手動方式時,可在計算機上對電動調節閥門進行遠方手動操作,并且系統具有自動/手動無擾切換功能。
⑦水位聯鎖保護功能
水池水位過低對輸水系統的安全運行影響極大,嚴重時會造成設備損壞等事故。如始端水池過低,會造成排水泵抽空現象, 影響泵的壽命、甚至造成泵的損壞;如末端水池過低,造成南陽坡礦井井下生產缺水。為防止事故的發生和擴大,該工程設置水位保護功能。該功能有兩步構成,第一步,當水位低達規定值時,發出信號,并使預防性的處理操作動作;第二步,當水位嚴重過低時,發出信號,使系統停止運行。保護框圖如圖5和圖6所示。

圖5 始端水池水位低保護框圖

圖6 末端水池水位低保護框圖
⑧自動排泥功能
長距離輸水工程中,由于系統內雜質的存在,長時間運行后,將會在管路內沉淀、淤積,甚至堵塞管路,影響系統正常運行,因此,自動化控制系統設置了自動排泥功能。
針對工藝系統在不同位置設置的4處排泥井,分別裝設電動閥門,系統自動檢測整個系統管路不同位置的壓力,當檢測到整個系統某處壓力低一值時,系統報警,低二值、并且始端流量與末端流量均明顯小于額定流量時,系統根據程序,判斷出管路堵塞位置,發出指令,打開就近排泥井內的電動閥門,自動排泥,直至系統恢復正常壓力。自動排泥邏輯框圖如圖7所示。

圖7 自動排泥邏輯框圖
⑨抗水擊保護功能
流體在管路內流動,若液流斷面上的流速和壓強隨時間不斷發生變化,不能保持恒定運行,這時將會出現不穩定流動的情況。如果發生這種現象,管路壓力發生瞬變,將會產生水擊現象,危機管道及設備的安全,因此,應對水擊采取壓力保護措施。
常用的抗水擊保護措施有泄放保護、超前保護、調節性保護和停泵保護等,根據本工程特點,利用電動排泥閥門進行泄放保護來抗水擊損害。在系統某處出現水擊增壓波時,水擊控制系統根據檢測到的壓力信號,利用在控制中心計算機中事先編制的保護動作程序,向就近的排泥閥門井發出保護動作指令,通過排泥閥門泄出一定數量的液體,從而削弱增壓波,防止水擊造成損害。
⑩管路檢漏功能
長距離輸水工程中,由于管路腐蝕、誤操作、線路坍塌等原因,會造成管路泄漏現象。本工程在輸水管路的首、末端分別裝設電磁流量計,系統根據流量計返回的流量參數,結合管路壓力測量,來判斷管路是否發生泄漏。若首端流量明顯大于末端流量、緊鄰兩處壓力表的參數相差較大、并且上游壓力遠大于下游壓力,系統將自動判斷出泄漏點所在的位置,供運行人員處理泄漏事故。
長距離輸水工程自動化控制系統采用的遠程無線傳輸方式,技術先進、合理,將會成為長距離遠程控制的發展方向。系統自運行以來,其操作方便、安全可靠,既少了操作員的誤操作次數、又降低了運行人員的勞動強度,符合設計要求,得到了用戶的好評。
本工程的壓力自動調節系統是利用節流調節法、采用電動調節閥的方式完成的,從節能角度衡量,這種方式不如轉速調節、 即利用變頻器改變泵的轉速這種方式節能,在以后的工程設計中, 可采用轉速調節法來完成壓力自動調節功能。
