為了明確此問題,我們首先需要知道若干基礎概念。
第一個概念:斷路器、隔離開關和負荷開關的區別是什么?
首先,我們來看《一文弄懂斷路器、隔離開關、負荷開關的區別與應用》這篇文章,然后我們再看國家標準GB 14048.3-2008/IEC 80947-3:2005中對熔斷器式開關的定義:
2.3 隔離開關
在斷開狀態下能符合隔離器的隔離要求的開關[IEV 441-14-12]
2.4 熔斷器組合電器
由制造廠或按其說明將一個機械開關電器與一個或數個熔斷器組裝在同一個單元內的組合電器。[IEV 441-14-04]
注:熔斷器組合電器是對熔斷器開關電器的總稱(見2.5~1.10定義及表1)(熔斷器開關電器的定義未列入IEV 441-14-04中)
2.5 開關熔斷器阻
開關的一極或多極與熔斷器串聯構成的組合電器。[IEV 441-14-14]
2.6 熔斷器式開關
用熔斷體或帶有熔斷體載熔件作為動觸頭的一種開關。[IEV 441-14-17]
再看標準中的表1的附圖中熔斷器式負荷開關圖形符號:

熔斷器式隔離開關就是負荷開關。它是熔斷器式開關和隔離開關的綜合。注意到熔斷器安裝在動觸頭的刀臂上。
第二個概念:負荷開關的結構特征是什么?
我們看下圖:

圖:ABB的某款熔斷器開關,也就是負荷開關
從圖中我們看到了什么?我們發現,這款熔斷器開關中有觸頭,有熔斷器,有殼體和操作手柄等等,唯獨沒有滅弧裝置。
第三個概念:對于電動機回路,它的主回路中三個主要元件負荷開關、接觸器和熱繼電器的任務是什么?
我們再看下圖:

圖:電動機主回路的幾個元件及其任務
我們來仔細考慮一下。設想,圖中電動機的A相發生了短路,即圖中的U端子,于是負荷開關的熔斷器熔斷。此時會怎樣呢?
由于缺相,B相和C相電流會加大到額定電流的8倍以上,電機會很快燒毀。但由于此電流小于熔斷器的短路保護電流(截斷電流),熔斷器不會再次熔斷。此時熱繼電器FR的缺相保護會起作用,使得接觸器KM跳閘保護。
如果我們采取某種措施,使得負荷開關的觸頭開斷保護,是否可行?答案是否定的,因為負荷開關的觸頭沒有滅弧罩,電弧會嚴重燒蝕它的觸頭,并使之損壞。
事實上,負荷開關的主觸頭屬于隔離器,它只能用于開合可以忽略的電流,即空載電流,見GB/T 14048.3《低壓開關設備和控制設備 第3部分:開關、隔離器、隔離開關以及熔斷器組合電器》。
第四個概念:負荷開關和斷路器的參數有何不同?
現在,我們從負荷開關和斷路器的參數來看兩者的區別。方便起見,我用ABB的產品來說明:

圖:ABB的某款熔斷器開關(負荷開關)

圖:ABB的某款斷路器
①額定電壓Ue和額定電流Ie
負荷開關和斷路器都有額定電壓Ue和額定電流Ie參數。
額定電流其實就是開關電器在長期工作制下按溫升最大值確定的運行電流。
額定電壓則與觸頭開距有關和內部絕緣材料的絕緣能力有關,它的值取決于了開關電器的介電能力和絕緣能力。額定電壓的最大值叫做額定絕緣電壓。
②額定短時耐受電流Icw和額定短路接通能力Icm
短時耐受電流指的是開關電器內部的導電材料,在1秒鐘時間內能夠承受的最大短路發熱電流。我們把短時耐受電流又叫做開關電器的熱穩定性。
短路接通能力是指開關電器的觸頭流過短路電流時,由于霍姆斥力的原因,觸頭被斥開。斥開后霍姆力消失,觸頭再次閉合,然后再次斥開。在此過程中,觸頭間會產生電弧燒蝕。Icm指的就是觸頭系統能夠承受的最大沖擊電流。由于它與電動力有關,故叫做開關電器的動穩定性。
負荷開關和斷路器都具有額定短時耐受電流參數,也都具有鄂東南短路接通能力參數。
③保護參數
對于斷路器而言,它既有過載保護參數,也有短路保護參數。同時,它還有額定極限短路分斷能力Icu。Icu的意思是,短路電流若高于或者等于Icu,則斷路器分斷完成后就損壞了,必須更換。
短路接通能力Icm與極限短路分斷能力Icu之比,叫做短路電流的峰值系數n。在GB/T 14048.2《低壓開關設備和控制設備 第1部分:總則》中,有關于峰值系數的定義表,如下:

峰值系數的意義十分重大,它與計算短路電流關系密切。
我們看下圖:

圖:短路電流穩態值Ip和沖擊短路電流峰值Ipk
從圖中我們看到,在時刻零發生了短路。由于短路點的阻抗很小,而短路前后電壓基本不變,由此產生了短路電流的穩態值Ik。Ik又叫做短路電流的周期分量Ip。
又因為短路瞬間系統中存在一定的電流值,它在電力變壓器的繞組中產生了反向電動勢,并由此出現了短路電流量的直流分量Ig,它隨著系統中的電感與電阻之比的時間常數而衰減。直流分量Ig又叫做短路電流的非周期分量。
當短路后0.01秒,直流分量和交流分量的疊加構成了沖擊短路電流Ipk。注意:為了計算方便,在國家標準中把Ipk與IK之比叫做峰值系數n。有了峰值系數n,我們就可以繞開系統的電阻R和感抗X,用簡便方法來計算短路電流。
對于負荷開關和斷路器來說,它們的短路接通能力Icm必須大于Ipk,而極限短路分斷能力Icu必須大于短路電流Ik。
我們再看ABB的某款斷路器參數,會發現它的短路接通能力Icm與極限短路分斷能力Icu之比,就是峰值系數n。
我們再看負荷開關。由于負荷開關中執行短路電流開斷任務的是熔斷器,而熔斷器切斷短路電流的參數叫做截斷電流Ic(也有叫做遮斷電流的),所以負荷開關的開斷能力就用截斷電流來定義。
我們看下圖:

圖:熔斷器的截斷電流與額定電流及短路電流的關系
圖中舉了一個例子:短路電流是50kA,熔斷器的額定電流是100A,我們從橫坐標的50kA處往上與100A曲線的交點處,往左在縱坐標處查得截斷電流Ic,Ic大約等于11kA,說明熔斷器和負荷開關,它的實際短路動作電流就是11kA。
注意看圖中100A熔斷器的曲線,它一直向左側延伸,并與周期分量的峰值相交,交點在橫坐標中值是7kA。這說明,當短路電流大于7kA后,熔斷器具有限流能力,而小于7kA時,熔斷器的分斷能力具有不確定性,原因與熔斷器的熔斷時間有關。
由此我們得出一個重要結論:負荷開關和熔斷器,不適合用于過載保護。
現在,昌暉儀表來總結一下。
①由于負荷開關中的熔斷器不具有過載保護能力,所以主回路中必須配套熱繼電器;
②負荷開關的本質其實是隔離器加熔斷器,因此它不能帶載拉閘,避免出現電弧傷害操作者和設備。當需要拉閘時,首先要用接觸器開斷負載,然后在空載條件下拉開負荷開關;
③負荷開關的熔斷器實施短路保護時,一般是某相先熔斷。由于首開相熔斷后,另外兩相的電流會加大,我們把此電流叫做轉移電流。轉移電流會對負荷開關的觸頭及熔體產生很大的沖擊。同時,電動機會出現缺相運行狀態,很容易燒毀電機。此時就要依靠熱繼電器和接觸器來執行缺相保護。
如果是斷路器,會發生以上問題嗎?昌暉儀表來對比一下:
①斷路器具有過載保護能力
由于電動機控制主回路中熱繼電器的任務就是執行過載保護,它與斷路器的過載保護重復。因此在實際線路中,用于電動機控制主回路的斷路器一般采用單磁的,即取消過載保護的斷路器。
由此可見,采用單磁斷路器與采用負荷開關,在此方面是一致的。
對于非電動機的饋電回路,采用斷路器當然比采用負荷開關更好。
②普通的固定式斷路器不具有隔離器功能
所謂隔離功能,指的是在開斷狀態下,我們能明確地看到它的斷點,并且可以用鎖扣(也可以是掛鎖)來鎖定開關電器。
在這一點上,負荷開關能夠做到,而最常見的固定式斷路器做不到,只有抽出式斷路器可以實現此功能。
這一點很重要。
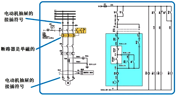
我們看下圖:

圖:電動機控制電路(采用單磁斷路器)
圖中,我們看到斷路器是單磁的,它的作用與熔斷器類似。另外,注意到整個電路安裝在電動機抽屜內,電路的一次回路和二次回路都有接插符號,可見當電動機抽屜抽出后,它具有明確的斷點。因此,圖中的斷路器上方可不必安裝隔離開關。
如果圖的電動機控制回路中沒有接插符號,也即屬于固定式的安裝,則斷路器之前必須安裝隔離開關。如此一來,還不如直接使用負荷開關更加方便便捷。
③斷路器可以實現三相同時開斷
這一點斷路器比負荷開關好。斷路器開斷后,不會造成電動機缺相運行。
④斷路器可以實現更加完善的電動機保護功能
例如電動機堵轉保護、電動機繞組超溫保護、電動機過載和短路保護、電動機相不平衡保護、電動機空載保護和重載保護、電動機失壓重啟功能等等。利用電動機型斷路器很容易實現,而負荷開關則望塵莫及。
⑤負荷開關熔斷器的截斷電流Ic高于斷路器的極限短路分斷能力Icu,在高分斷容量條件下,負荷開關更具優勢
負荷開關熔芯的截斷電流開斷容量在50kA以上是很容易實現的,但對于斷路器來說卻很難,即便實現,其成本很高。
因此,當系統短路容量大于50kA后,采用負荷開關比斷路器更具優勢。
⑥保護動作后的恢復及運行成本
負荷開關的熔芯熔斷后,需要換新的,運行成本比斷路器高,操作也相對麻煩。
注意,這里指的是低壓電器。主要就是這些,等想到后再補充。
