1、加速吸合電路
對于直流電路里的繼電器,設線圈本身的電阻為R0,在線圈上串聯電阻R,電阻旁并聯電容C如圖1所示。當開關K合上時,由于電容的充電電流也要流過線圈,所以短時間內通過線圈的電流比穩態電流I=U/(R0+R)要大,動作也就加快了。如果串聯電阻R仍按照線圈的額定電流計算,短時間內的實際電流要超過額定值,不過時間不長,發熱并不明顯。

圖1 繼電器加速吸合電路
圖1的電源電壓應該比不用加速電路時高一些,電阻的散熱功率應按穩態電流計算。電容的容量視需要而定,其耐壓只要高于電源電壓即可。電路切斷時的感應電勢是加不到電容上的。
倘若電源電壓已經確定,線圈電阻也巳很大,再串聯電阻之后有可能使穩態電流略小于吸合電流,初看起來這種情況就不能采用上述方法了,但是開關剛剛合上時電容相當于短路,只要這段時間里的電流大于吸合電流,仍然可以使繼電器吸合。至于穩態電流雖小于吸合電流,只要它仍大于釋放電流,就能保持吸合不放。所以串聯電阻的阻值不一定按照吸合電流來計算。昌暉儀表提醒大家注意:加速吸合電路電路不能用在交流繼電器上。
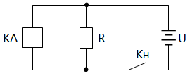
2、延緩動作電路
如果把電容C并聯在線圈兩端,就成為圖2的電路,開關閉合時充電電流在R上形成壓降,使線圈兩端電壓增長較慢,吸合時間就會延長。同樣,在開關斷開時,電容C的放電和被感應電勢反向充電,又會使釋放時間延長。

圖2 繼電器延緩動作電路
若只希望延長釋放時間,可利用圖3的電路。電源接通時二極管D處于截止狀態,不起作用。但當開關K斷開時,線圈里的感應電勢將通過二極管形成電流,使鐵芯里的磁通衰減緩慢,釋放動作就推遲了。

圖3 繼電器延緩動作電路(二極管)
圖3電路比圖2占用空間小,但只延緩釋放時間,對吸合時間無影響。
某些繼電器的鐵心上帶有兩個線圈。例如電話繼電器就是如此。其中主線圈用于產生磁通,輔助線圈的兩端若通過二極管短接,就能延長動作時間,根據二極管的連接方向,可以是緩吸或緩放。
適當地運用以上方法可以把動作時間延緩5-10倍,如果用晶體管延時電路,當然能延長更多,但那已是時間繼電器的應用問題了。注意:延緩動作電路只限于用在直流繼電器上。
3、消火花電路
消除繼電器接點上的火花,不僅對保護繼電器十分重要,消火花電路對防爆安全,對防止電磁干擾都是非常有利的。
圖2和圖3所示兩種延緩動作電路實際上也有消火花作用,如果把開關K看成是另一個繼電器的接點,當它切斷電路時,線圈所產生的感應電勢將被電容C或二極管D短接,能量被吸收之后,就不會在K處產生火花了。
除此之外,可以采用如圖4、圖5、圖6所示電路。

圖4 消火花電路
圖4為繼電器的常開接點KH連在感性負載L的電路里。為防止斷電時L上的感應電勢在KH上產生火花,在接點KH上并聯有RC電路,因為電路接通時C兩端電壓為零,斷開時C兩端電壓不會突變,充電電流將在L的內阻上形成壓降,使接點KH處不產生火花。等電容兩端電壓升高以后,接點的氣隙己經增大到難以形成火化的程度。
電阻R用來防止接點閉合時電容放電電流過大。一般C選2μF,R選50Ω即可。圖4中的L也可以是中間繼電器或接觸器的線圈。

圖5 消火花電路(適用于繼電器線圈有無感電阻)
某些電話繼電器的線圈上繞有無感電阻,標有“雙繞”字樣,并注有阻值,可以很方便的接成消火花電路。圖5就是用電阻和線圈并聯,對于保護KH也有一定的作用。雖然電阻上要消耗一些能量,但因阻值比線圈的電阻大幾倍,可以不考慮能耗引起的經濟問題。

圖6 消火花電路(適用于繼電器線圈有無感電阻,且無感電阻與線圈串聯)
圖6是把無感電阻和線圈串聯,然后利用繼電器上的一組常閉接點KD將此電阻短路,繼電器通電吸合后,KD斷開,電阻R串入線圈電路,只要這時的電流大于釋放電流,仍將保持吸合狀態,但因電流較小,KH斷開時不再有明顯的火花。帶有無感電阻的繼電器終究是少數,沒有這種條件的可以用分立元件接成,也不困難,而它的效果是十分明顯的。
4、保護晶體管的電路
如果控制繼電器吸合與釋放的開關是由晶體管擔任的,則在晶體管截止時,繼電器線圈里的感應電勢有可能將晶體管擊穿。為了保護晶體管,必須把感應電勢的能量釋放掉,圖2和圖3所示兩個電路都能完成這個任務,所以常在驅動繼電器的電子線路里看到。尤其是用二極管反向并聯在線圈上的辦法占用空間少,簡單易行。
本文分享的四種繼電器附加電路均屬于基本的電工基礎知識,儀表工和電工經常會遇到,熟練應用它可解決一些現場問題。
推薦閱讀
繼電器選型案例分享
怎樣正確選擇繼電器的報警動作狀態
如何提升繼電器和接觸器接點或觸頭的切斷能力
