本文結合多路溫度遠傳監測儀在電機多點溫度監測上的應用實例,詳細介紹昌暉溫度遠傳監測儀原理、主要模塊及與DCS系統構建多點溫度測量系統的方法。
通過對電機廠家的大量事故分析發現,事故往往發生在電機維護的環節上,這就對電機的維護提出了更高的要求。以往由于對電機的保護沒有引起足夠的重視,屢屢發生電機損壞的事故,造成極大的經濟損失,因此,如何更有效地保證電機設備的可靠性,是安全生產必須解決的重要課題。應用兩線制多路溫度遠傳監測儀組成DCS溫度控制系統,可有效地解決電機維護難的問題。
方案對比
如采用測量電機各相電流、電壓的方式保護電機,就需要安裝電流、電壓互感器將大電流、高電壓轉換成小信號給電量變送器,由電量變送器把信號轉換成4-20mA傳給DCS系統采集器進行顯示控制。實際應用中,電機大量分布在各個廠區內,由于各廠區分布零散,電機功率較大,安裝現場相對復雜。很顯然采用此方式操 作起來并不簡單,而且費用高,所以并不可取。如采用測量電機溫度的方式保護電機,電機生產廠家在生產時通常會在電機線 圈內部預埋2~3個Pt100溫度傳感器,通過測量電機溫升來掌握電機的工作狀況。 只要把Pt100溫度傳感器阻值變化 轉化成4-20mA傳給DCS系統,就能實現溫度的監控。這類變送器分為帶電源和不帶電源兩種,其中以不帶電源的兩線制變送器更適合現場使用,只需兩根線就可采集一路Pt100信號。然而一個電機有2~3個傳感器,就需要有2~3個變送器,由此帶來接線多、DCS采集點多、費用高、安裝麻煩等問題。對此,文中將介紹一款昌暉儀表開發的兩線制多路遠傳溫度監測儀。
兩線制變送器的優點
兩線制變送器通過信號線提供驅動電源,因而采用兩線制變送器可以節省電源線,解決了分散在龐大的工廠區域內特殊電源提供不便的問題,降低了施工費用。兩線制變送器的信號是4-20mA直流電流信號,該信號抗噪信能力強,即使在有電力設備的環境下也可以保證信號的穩定傳送。若采用電壓信號,例如在0-10V的信號線上加上10V的噪信電壓,信號線上的信號將增加1倍。而兩線制變送器的輸出端子測得變送器內部的阻抗至少為1MΩ,因此噪信電壓(10V)加在受信阻抗上的電流值(I≈0.01mA)相對于量程20mA的影響只有1/2000, 這是兩線制變送器優越之處。
昌暉XTRM溫度遠傳監測儀
昌暉儀表制造有限公司向用戶開放了XTRM溫度遠傳監測儀內部參數的設定界面,讓使用者擁有充分的自主權, 一改長期以來使用者依賴生產商的被動局面,讓用戶能更方便地進行二次開發。該產品采用Pt100鉑電阻和熱電阻測溫,輸出信號為各個測溫回路中溫度最高的一路,并以4-20mA采用兩線制國際標準信號輸出,可以與DCS、PLC和各種二次儀表連接,并具有極強的抗干擾能力。

溫度遠傳監測儀工作原理
XTRM溫度遠傳監測儀是多路輸入、一路4-20mA兩線制輸出的溫度變送器,它安裝在靠近被測量點處,兩線制輸出同時作為信號和儀表的供電電源線。輸出電流分為兩個部分,恒定的4mA電流作為測量零點,同時又是儀表中電子線路和供電電流,而0-16mA變化的電流是正比于被測輸入信號的變化。昌暉溫度遠傳監測儀以微功耗單片微處理器為基礎,把來自熱電阻或熱電偶測量的溫度信號,通過輸入信號電路,將模擬信號經A/D轉換器轉換成數字信號,微處理器根據采樣的結果進行高精度校正后送給D/A,由D/A把數字信號轉換為模擬信號,該模擬信號通過V/I轉換為4-20mA恒定電流輸出。原理框圖如圖1所示。

圖1 多路溫度遠傳監測儀原理框圖
溫度遠傳監測儀主要模塊設計
XTRM多路溫度遠傳監測儀采用模塊化設計思路,主要包括輸入電路、放大電路、CPU電路、按鍵電路、顯示驅動電路、V/I輸出電路、電源模塊電路等。
1、輸入電路
利用橋路可將Pt100電阻信號轉換成電壓信號,X1接4051多路開關的輸入端,在此溫度遠傳監測儀中有4路這樣的電路分別為X1~X4。輸入電路如圖2所示。

圖2 多路溫度遠傳監測儀輸入電路圖
2、放大電路
X1~X4這4路信號經電子開關選擇后,由于信號較小,須進行線性放大,本表采用了運放組成的儀表放大器,性能十分優越,已被廣泛地用于測量放大器中。三個運算放大器為低漂移功能塊,它們是由專用型集成運放前再加上一級分立元件輸入級組成的,由于分立元件輸入級的對稱性經過精選,所以可使一般運放的性能指標得到提高,有很高的共模抑制能力和較低的輸出溫漂。放大電路如圖3所示。

圖3 多路溫度遠傳監測儀放大電路
3、按鍵電路
人機對話采用按鍵的方式進行,設有5個按鍵,分別是參數功能設定鍵(SET),參數增加鍵▲、參數減少鍵、左移鍵和右移鍵。用戶需要時可通過面板按鍵查看任何一路溫度。
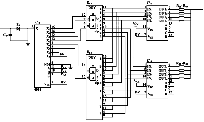
4、顯示驅動電路
顯示驅動采用6位動態掃描顯示,掃描頻率設計為70Hz左右。LED顯示窗口顯示溫度測量值,通道狀態指示燈CH1~CH4指示當前LED顯示窗口所顯示4路輸入信號當中最高的一路。顯示驅動電路如圖4所示。

圖4 多路溫度遠傳監測儀顯示驅動電路
5、CPU電路
單片機是美國德州儀器(IT)公司生產的高集成度、高精度的單芯片系統SoC,是目前工業界中具有最低功耗的16 bit Flash RISC微控制器。具有豐富的片內外設,是一款性價比極高的單片機,用它作為系統的控制核心,不僅極大地簡化了系統硬件電路,還大大提高了系統的性價比。
集中體現了現代單片機先進的低功耗設計理念,其時鐘系統提供了豐富的軟硬件組合形式。它包括一個片內DOC和兩個晶體振蕩器,可以產生三種系統適用的時鐘, 支持六種工作方式, 有五種低功耗模式。可以通過軟件對內部時鐘系統進行不同設置來控制芯片,使它處于不同工作方式,從而使整個系統達到最低的功耗并發揮最優的性能,所以該單片機非常適合XTRM多路溫度遠傳監測儀的設計要求。
6、V/I輸出電路
V/I輸出電路采用PWM脈寬調制方式輸出,具有電路簡單、成本低、精度高、抗干擾能力強的優點。輸出采用全軟件調試,無電位器調節,方便且 實用。多路溫度遠傳監測儀還可根據儀表的測量量程,變送輸出與測量值相對應的4-20mA模擬信號,提供給無紙記錄儀、其它儀表、PLC和DCS系統使用。V/I輸出電路如圖5所示。

圖5 多路溫度遠傳監測儀輸出電路
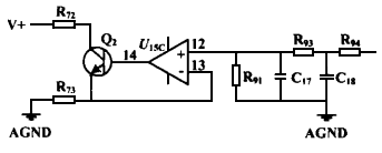
7、電源模塊電路
電源模塊電路經保護電路(過壓、過流、抗干擾)進入穩壓電路,提供CUP及其它器件的工作電源。電源模塊電路如圖6所示,此電路有以下特點:
①輸出電壓穩定性高;
②溫度系數低;
③價格便宜,結構簡單。

圖6 多路溫度遠傳監測儀電源模塊電路
系統組態
DCS系統是隨著現代大型工業生產自動化的不斷興起和過程控制要求的日益復雜應運而生的綜合控制系統,它是計算機技術、系統控制技術、網絡通信技術和多媒體技術相結合的產物,可提供友好的人機界面和強大的通信功能。是實現過程控制、過程管理的現代化設備。兩線制變送器在工業自動化領域中使用頻率較高,與其他工業現場設備一樣,兩線制變送器也存在干擾及抗干擾的問題。依據DCS系統AI卡件接口模式(電流型或環路供電型)選用功能不同的隔離配電器,原則上要求它既能給變送器提供隔離電源、保證每個變送器有一個獨立電源,又能將變送器信號隔離輸送到DCS。XTRM多路溫度遠傳監測儀組成計算機DCS監控系統,具有動畫顯示、報表、報警、趨勢、打印等功能,能夠實現溫度參數的集中監視、控制、記錄。

點擊圖片進入產品頁面
采用昌暉儀表制造有限公司XTRM多路溫度遠傳監測儀可以輕松接入DCS控制系統,直觀地在中控室觀察各個電機運行溫度狀況,一旦發現溫升超標可以馬上采取措施防止事故發生。此方法目前大量用于水泥廠、發電站、造紙廠等企業。實際應用表明,采用XTRM多路溫度遠傳監測儀在多點溫度監測上可廣泛推行。
相關閱讀
多路溫度遠傳監測儀原理圖、設計思路和參數計算方法
