不同低壓配電系統接線方式的應用場所和技術要求
1、高層公共建筑通常采用裝設在豎井內的豎向封閉式母線槽組成的樹干式接線方式,各樓層接出分支回路應在不超過3m距離內裝設保護電器和隔離電器。
2、多層公共建筑和居住建筑,當負荷電流較小時,宜采用豎向裝設在豎井內的預分支電纜(或電纜)組成的樹干式接線,要求同第1項。
3、工業廠房用電設備多,宜采用高位樹干式接線,大多固定在屋架上,采用裸母線或封閉式母線槽。裸母線造價低廉,過去幾十年廣泛應用,而封閉式母線槽價格貴很多倍,但安全性能好、電抗小、線路電壓降和線損減小,近二三十年越來越多地取代裸母線。由于裝設部位高,接出分支線路到保護電器的長度不超過3m的要求很難達到,因此,應對分支線路的敷設提出要求應有機械防護(如穿鋼管或線槽盒內),不靠近可燃物;分支線路發生短路時,配電干線首端的保護電器能切斷,分支線路應滿足短路熱穩定要求。
4、用電設備成排布置的工業場所(如機械冷加工、紡織等車間),宜采用插接式封閉母線樹干式接線,保護電器(熔斷器或斷路器)直接裝設在母線的插接口位置,維修方便,故障防護性能好。
5、水泵房、風機房、電梯機房、鍛工車間等宜采用放射式接線。
6、多層居住建筑、辦公建筑、學校以及工業廠房的照明配電箱,可采用鏈式接線(見圖1),所接照明配電箱數不宜太多,宜為2-3臺,居住建筑不宜超過4臺。

圖1 鏈式接線
7、插座宜采用鏈式接線(見圖2),但每個回路所接插座數不宜太多,線路不宜太長,對金融、證券、科研、設計等計算機應用很多的場所,鏈接插座數不宜超過5個。

圖2 鏈式接線
8、離配電箱較遠,相互靠近的小功率用電設備可采用鏈式接線(見圖3),但不宜超過5臺,功率之和不宜大于10kW。
圖3 鏈式接線
兩個接線方式應用示例
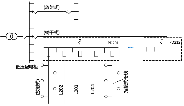
例1:某機械冷加工車間的配電系統接線示例如圖4所示。從變電站低壓柜接出L1配電線到冷凍機房配電箱PD11為放射式;接出L2封閉式干線為樹干式,從L2干線接出12個分支干線到PD201-PD212配電箱,從配電箱PD201用放射式接到L201-L205插接式母線,用樹干式連接到各臺機床;L2干線為“樹干式-放射式-樹干式”綜合接線。

圖4 某機械冷加工車間配電系統接線圖
例2:某30層辦公樓的配電系統接線示例見圖5主干線L1系裝在豎井內的封閉式母線組成樹干式接線,從該干線接到各層樓的配電箱以后則為放射式,包括接插座的鏈式接線。

圖5 某辦公樓配電系統接線圖
新書推薦
《低壓配電設計解析》由九旬電氣專家任元會編著,筆者將自己幾十年在講授低壓配電設計中,針對全國各設計院、電氣工程師提出的問題進行的研究、分析和總結的研究成果呈現給年輕電氣設計師,希望能夠為提高我國建筑電氣設計水平作最后的一點貢獻!
