電涌電流的分配
當電源由室外箱變引至設有防雷裝置的建筑物內時,GB50057-2010 4.3.8條第4款要求:應在低壓電源線路引入的總配電箱、配電柜處裝設Ⅰ級試驗的電源電涌保護器。
設有防雷裝置的建筑物內的電氣和電子系統,可能遭受雷擊(S1損害源)時的地電位反擊,也可能承受室外箱變及其埋地線路遭受雷擊(S3損害源)的閃電電涌侵入。按照GB50057-2010,通常可僅考慮更嚴酷的地電位反擊危害。
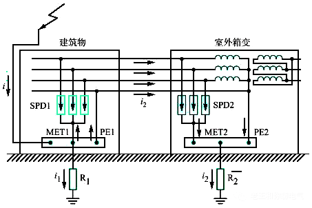
如果不考慮其他服務設施分流的因素(或引入處采用非金屬管道和非金屬線路)的前提下,根據電阻耦合原理,雷擊建筑物的全部雷電流在建筑物的接地裝置和室外箱變的地之間分配,見圖1。

圖1 雷擊后的電阻耦合示意圖
根據相關試驗,施加雷電流i為200kA、10/350μs雷電流,建筑物和室外箱變的接地電阻R1=R2=30Ω時,電力電纜長度分別取50m、500m和1000m,雷電流分布見圖2(引自GB/T19271.3-2005/IEC TS 61312:2000《雷電電磁脈沖的防護 第3部分:對浪涌保護器的要求》,此規范已于2017年12月15日廢止)。

圖2 接地裝置和配電系統之間雷電流分布圖
在沖擊電流的初始階段,雷電流的分配由系統的電感確定,到沖擊電流的波尾階段,電流的變化率較小,電涌的分配將由系統的阻抗確定,隨著室外電纜長度增加,電源線路的阻抗增大,進入室外箱變接地裝置的雷電流會相應減小。因此,雷電流的分配依據接地路徑的阻抗分配,為方便估算,通常建筑物電氣裝置的接地極∞和室外箱變接地極之間按50%-50%分流原則。

室外箱變電源電涌保護器(SPD)的選擇
電涌電流進入箱變的低壓繞組后泄放入地,低壓側侵入的雷電流在低壓繞組上的過電壓并不高,但是,變壓器低壓側的過電壓會在變壓器高、低壓繞組間發生電磁耦合,按變壓器的變比變換到高壓側,形成高壓側的過電壓。這種低壓側遭雷擊變換到高壓側的過電壓稱為正變換過電壓。
由于變壓器高壓繞組的絕緣裕度遠低于低壓繞組,因此常會出現變壓器低壓側落雷,低壓側繞組未損壞,而高壓側繞組因正變換過電壓而損壞的現象,因此,有必要在箱變的低壓側設置SPD泄放電涌電流。
根據電涌電流的分配情況,箱變的接地裝置需要泄放和建筑物相當的電涌電流。進入電源系統的總雷電流小于進入建筑物接地裝置的總雷電流。因此,在室外箱變低壓側設置不大于12.5kA、10/350μs的SPD已經充分。
作者:陳謙(中國建筑學會雷電防護學術委員會委員,全國建筑電氣設計技術協作及情報交流網理事,全國雷電防護標準化技術委員會SAC/TC258委員,全國建筑物電氣裝置標準化技術委員會SAC/TC205委員)
相關閱讀
客觀評價和篩選電涌保護器SPD的一點建議
低壓配電系統安裝電源SPD的數量如何確定
信號隔離器、安全柵和電涌保護器SPD在功能和用途上的區別
