

紅外線分析儀的優缺點
1、紅外線分析儀優點
①能測量多種氣體:除了單原子的惰性氣體(He,Ne,Ar等)和具有對稱結構無極性的雙原子分子氣體(N2,H2,O2等)外,CO,CO2,NO,NO2,SO2,NH3等無機物,CH4,C2H4等烷烴,烯烴和其他烴類及有機物都可用紅外分析儀進行測量。
②測量范圍寬:可分析氣體的上限達100%,下限達幾個ppm的濃度。當采取一定措施后,還可進行痕量(ppb級)分析。
③靈敏度高:具有很高的檢測靈敏度,氣體濃度有微小變化都能分辨出來。
④精度高:一般都在±2%FS,不少產品達到或優于±1%FS。與其他分析手段相比,它的精度較高且穩定性好。
⑤反應快:響應時間T90一般在10s以內。
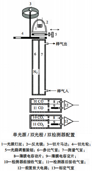
⑥有良好的選擇性:紅外分析儀有很高的選擇性系數,因此它特別適合于對多組分混合氣體中某一待分析組分的測量,而且當混合氣體中一種或幾種組分的濃度發生變化時,并不影響對待分析組分的測量。也就是說,紅外分析儀只對待分析組分的濃度變化有反應,而背景氣體(除待分析組分外的其他組分都叫背景氣體)中干擾組分的濃度不管怎樣變化,對儀器的測量精度都沒有影響。因此,用紅外分析儀分析氣體時,只要求背景氣體干燥、清潔和無腐蝕性,而對背景氣體的組成及各組分的變化要求不嚴,特別是采取濾光技術以后效果更好。這一點與其他分析儀器比較是一個突出的優點。
2、紅外線分析儀缺點
在多組分定性、定量以及痕量分析中沒有在線過程色譜儀、質譜儀、近紅外分析儀等功能強大。
