
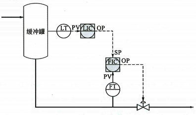
圖1 緩沖罐液位串級控制
想象一下調節閥有一個黏滯問題,如果沒有排液流量控制回路,液位控制回路將在一個長周期連續振蕩,這很可能會影響下游過程。隨著快速排液流量控制回路的到位,黏滯調節閥將導致其振蕩,但由于調節良好的排液流量回路固有的快速動態行為,其周期要短得多(更快),對下游過程不會產生太大的不利影響。
或者想象調節閥具有非線性流量特性,這會導致控制回路不穩定。如果液位控制器直接驅動閥門,則為了保持穩定性必須要把PID參數整定得弱一些,這樣也會導致液位控制性能非常差。在具有驅動調節閥的排液流量控制回路的串級控制方案中,排液流量回路將整定得弱一些以保持穩定性,這將導致相對較差的排液流量控制,但由于排液流量回路的動態速度比液位回路快得多,所以液位控制回路幾乎不受影響。
如果副過程變量純滯后時間較小,可以通過副回路的整定使副回路閉環響應比開環響應更快,從而改進廣義被控對象的特性。主回路也可以更快地控制主過程變量。
如果有一個動態相對較慢的變量(如液位、溫度、成分、濕度)并且必須操縱流量或其他一些相對較快的變量來控制,則應始終使用串級控制。例如,改變燃料氣流量來控制加熱爐出口溫度或者改變蒸汽流量來控制精餾塔靈敏板溫度。在這兩種情況下,流量控制回路都應該用作串級控制的副回路。
當副回路比主回路快得多時,串級控制對進入副回路的擾動的抑制更有效。無論如何,即使在閉環時間常數比約為3:1的情況下,串級控制仍能比單回路控制多抑制50%的干擾。絕大多數情況下使用串級都能帶來控制性能的改善。
串級控制有三個缺點:
①需要額外的測量(通常是流量)才能工作;
②有一個額外的控制器需要整定;
③控制策略更復雜。
這些缺點必須與預期控制改進的好處進行權衡,以決定是否應該實施串級控制。與通過適當設計的串級控制策略實現的效益相比,這些缺點并不明顯。
只有當副回路的動態比主回路的動態快時,串級控制才是有益的。如果副回路不比主回路快至少三倍又沒有其他特殊需求,則通常不應使用串級控制,因為控制性能改善不明顯。在加熱爐出口溫度控制中設計為串級控制爐膛溫度再串級燃料,由于燃料到爐膛溫度和到出口溫度的動態特性差不多,因此這是一種典型的串級控制錯誤設計。
當副回路沒有明顯快于主回路時,除了串級控制的好處減少之外,兩個回路之間還存在可能導致不穩定的相互耦合的風險,特別是主回路被整定得非常快時。當副回路和主回路動態特性差不多時,主副回路要選擇明顯不同的期望閉環時間常數(λ),一般要求主回路的期望閉環時間常數至少是副回路期望閉環時間常數的3倍。
當有多個過程變量和一個最終控制元件時,可以采用多級串級控制。當PID控制器輸出和過程變量之間存在顯著的動態,例如,大純滯后時間或大時間常數時,這種方法尤其有用。通過使用對控制器輸出響應更快的中間過程變量,可以實現更精準的控制。串級控制是通過嵌套控制回路來建立的,也可以使用帶有更多嵌套回路的串級控制。如果所有的狀態變量都被測量了,那么就不需要再引入其他的過程變量。在這種情況下,串級控制等同于狀態反饋。如圖2所示,對負載擾動的響應串級控制要明顯優于單回路控制。

圖2 串級(實線)和單回路(虛線)控制系統對負載擾動的響應
