前饋控制通常用于最小化主要擾動對過程變量的影響。這是通過測量主要過程干擾,并在主要干擾對過程本身產生不利影響之前改變相關操縱變量進行抵消來實現的。
一般來說,如果過程干擾和純滯后時間都較小,那么反饋系統的運行就更準確、更有效。顯然,前饋控制有助于實現反饋控制的這一要求。如果我們將精確配置的前饋系統和良好調節的反饋系統結合起來,那么反饋控制和前饋控制的結合會是一個幾乎最優運行的控制系統。
前饋-反饋聯合控制系統比等效的單回路系統使用更多的控制組件和設備,包括兩個傳感器和PID控制器。由于系統性能要求所有這些設備正常工作,因此其可靠性將低于等效單回路系統的可靠性。然而,需要注意的是,反饋控制并不依賴于前饋。如果前饋控制器中的任何組件出現故障,可以關閉前饋部分,反饋控制器將正常工作。通常,前饋控制模塊較低的可靠性并不妨礙前饋控制的使用。
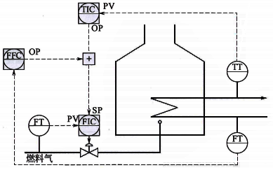
圖1展示了如何將兩種控制方法結合到加熱爐出口溫度控制系統中。進料變化時,前饋控制通過及時控制燃料氣流量在進料波動影響到出口溫度前及時抑制。反饋控制用于克服不可測擾動引起的偏差,保證閉環系統沒有穩態余差。這個控制系統中的燃料氣流量副回路有三個作用:a.克服燃料氣壓力波動對溫度的影響;b.克服燃料氣流量調節閥的非線性;c.減少非線性對前饋系數計算的影響。

圖1 前饋-反饋聯合控制
由于前饋-反饋聯合控制設計涉及更多控制組件和設備,因此其成本略高于單回路系統。假如該變量還未用于監控目的,需要增加現場傳感器成本和傳輸至控制室的成本。如果使用具有備用容量的控制系統,控PID制器的成本基本為零,否則可能增加PID控制器成本。增加的其他成本還包括安裝和記錄成本。與通過適當設計的前饋控制策略實現的效益相比,這些成本通常并不顯著,但昂貴的在線分析儀作為前饋變量通常不太劃算。
前饋-反饋聯合控制系統參數整定
由于強反饋控制有不穩定的傾向,因此應盡可能避免。前饋控制可以完成所需控制的主要部分,而反饋控制只是為了消除過程變量的漂移,所以建議按照以下步驟進行前饋-反饋聯合控制系統整定:
①整定反饋和前饋控制所用的副控制器;
②整定前饋控制;
③使用Lambda整定方法整定反饋控制;
④評估過程變量的控制性能。
記住,在這種情況下,反饋控制只是前饋控制的補充,不能引入任何形式的振蕩或不穩定。
反饋是本質被動的,有偏差才會有動作,所以反饋必定滯后于干擾。而前饋是本質主動的,可以在干擾有機會進入系統并擾亂閉環或反饋回路特性之前檢測并糾正這些干擾。另外,反饋對于即將發生的事情不做假設,等到事情發生了再見招拆招,對各種不確定因素相對不敏感。但由于前饋控制需要過程模型,所以前饋控制不像反饋控制那樣常用。反饋控制和前饋控制具有互補性質。反饋控制可以減少慢速干擾的影響,前饋控制可以更快減少干擾的影響。反饋控制對過程模型的變化相對不敏感,前饋對過程模型的參數變化更為敏感。反饋可能引起不穩定,而前饋不會引起任何穩定問題。為了獲得良好的控制性能,可以將反饋控制和前饋控制結合起來實現聯合控制。
前饋-反饋聯合控制應用
在許多過程控制應用中,幾個過程串聯在一起。在這種情況下,測量干擾和使用前饋控制往往很容易。自然循環鍋爐的汽包液位控制是前饋-反饋聯合控制的典型應用。
工業蒸汽大都是由鍋爐加熱水產生的。汽包液位控制是其中最主要的復雜控制策略之一。在自然循環鍋爐中,鍋爐水在水冷壁內襯的蒸發器管中循環,在那里部分轉化為蒸汽。水蒸氣混合物返回鍋爐汽包,在那里蒸汽和水被分離。為了彌補作為蒸汽損失的水,給鍋爐增加了給水。汽包液位是蒸汽流量和給水平衡的指示器。
保持鍋爐汽包液位在設定值至關重要。如果液位過低,鍋爐可能會燒干,導致汽包、鍋爐管道和鍋爐水循環泵的機械損壞。如果液位太高,水會被帶入蒸汽管道損壞下游設備。
蒸汽流量的變化也可能導致汽包液位出現較大偏差,甚至鍋爐停車。蒸汽流量是可測量的,采用前饋控制策略可以很好地改善汽包液位控制。如圖2所示,汽包液位測量、蒸汽流量測量和給水流量測量相結合控制鍋爐汽包液位稱為三沖量控制。

圖2 三沖量鍋爐汽包液位控制原理
三沖量汽包液位控制策略測量蒸汽流量并將其用作給水流量控制器的設定值。通過這種方式,調整給水流量以匹配蒸汽流量。蒸汽流量的變化幾乎會立即被給水流量的類似變化所抵消。為確保汽包液位偏差也用于控制,蒸汽流量作為前饋被添加到汽包液位控制器的輸出中。給水流量作為副回路能快速克服給水壓力波動對汽包液位的影響,同時可以簡化蒸汽流量前饋系數的計算。蒸汽流量作為前饋引入鍋爐汽包液位控制中,可以及時消除蒸汽流量波動對汽包液位的影響,有效防止“虛假液位”引起的控制系統誤操作。
前饋-反饋聯合控制在自然循環鍋爐汽包液位控制中成為標準的三沖量控制方案有幾個主要原因:
a\前饋和反饋通道的動態特性基本一致,一般前饋系數設置為靜態前饋而且系數為1即可;
b\反饋控制由于虛假液位被近似為純滯后時間,作為大純滯后積分被控對象反饋控制不能太快;
c\用戶的蒸汽用量頻繁變化而且不可預測。
