防爆風速風向環境溫度儀應用?;饭迏^,用于監測風速、風向和溫度。它可以幫助預警風向、風速及溫度變化,促使采取必要的安全措施,保護作業區域和工作人員的安全。依據AQ3036-2010罐區安全監控設置規范第8.1條之規定,重大危險源罐區應設置風力、風向和環境溫度等參數的監測儀器,并與罐區安全監控系統聯網。

AQ3036-2010原文
8 罐區氣象監測、防雷和防靜電裝備的設置
8.1 應設置風力、風向和環境溫度等參數的監測儀器,并與區安全監控系統聯網。
8.2 壓力儲罐的環境溫度監測儀器宜與噴淋水系統聯鎖(或者手動),抑制儲罐壓力的升高。
8.3 防雷裝備按GB50074設置。定期監測避雷針(網、帶)的接地電阻,不得大于10Ω。
8.4 易產生靜電的危險化學品裝卸系統,應設置接地裝置,執行SH3097的規定。
本文以某系統為例,從系統組態角度介紹兩種解決方案:
方案一:利用RS485轉模擬量信號模塊將防爆風速風向環境溫度儀輸出信號轉換為模擬量信號,傳輸到DCS系統的AI卡件,通過系統組態,實現氣象儀數據在DCS畫面上的顯示、趨勢記錄、報警。
方案二:采用通訊方式將防爆風速風向環境溫度儀輸出信號傳輸到DCS系統的通訊卡。通過系統組態,實現環境溫度儀數據在DCS畫面上的顯示、趨勢記錄、報警。
準備工作
1、選取現場合適的位置安裝固定防爆風速風向環境溫度儀的立桿。
2、防爆風速風向環境溫度儀至DCS機柜間敷設一條2×1.5mm2電源線和一條RS485專用通訊電纜,現場防爆箱接線。
方案一實施
1、將防爆風速風向環境溫度儀輸出模塊固定到DCS機柜內。VCC和GND端子接DC24V電源,485+和485-端子接風速儀通訊信號;模塊輸出三路模擬量4-20mA電流信號,分別為AIO1(溫度)、AIO2(風速)、AIO3(風向),GND為公共地。將這三路模擬量信號接到DCS卡件上。另外接一路DC24V電源用于防爆風速風向環境溫度儀供電。
2、系統組態
①I/O組態,趨勢組態,報警組態。依據AQ3036-2010罐區安全監控設置規范4.3.4 風速報警高限設置一級,報警閾值為風速13.8m/s(相當于6級風)。

②流程圖畫面組態

③編譯→下裝→發布。
方案二實施
1、將防爆風速風向環境溫度儀通訊信號接到DCS通信卡件上。另外接一路DC24V電源用于防爆風速風向環境溫度儀供電。
2、聯系防爆風速風向環境溫度儀廠家提供通訊協議。

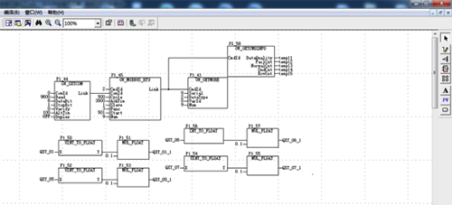
3、系統組態
①算法組態

②流程圖畫面組態

③編譯→下裝→發布。流程圖繪制依據:
