1、串級控制系統維修實例
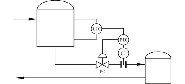
串級控制系統有兩個閉合回路。主控制器、副控制器串聯,主控制器(單回路PID控制器)的輸出作為副控制器(外給定調節器)的給定值,系統通過副控制器的輸出操縱控制閥動作,實現對主變量的定值控制圖1。所以在串級控制系統中:主回路是個定值控制系統,而副回路是個隨動系統。
故障實例分析:
①某石化裝置一個液位與流量串級控制系統(液位為主環,流量為副環,DCS系統),控制品質不好
故障檢查、分析:引起故障的原因有以下幾個方面:控制器控制參數設置不當、控制對象不在正常工況、控制對象滯后大、調節閥調節不線性。對控制器控制參數進行重新整定,重新校驗調節閥,檢查測試滯后時間。
故障處理:經綜合調整測試發現是液位控制滯后時間太長,無法實現串級調整。
②丁辛醇裝置LIC0406與FIC0411為串級控制系統,控制400A反應器采出,該控制系統副環能投自動,但是無法投串級,投串級以后波動很大
故障檢査、分析:檢查測試發現由于串級控制PID參數設定不合理,又根據工藝實際情況進行設定,導致無法投用串級。
故障處理:在重新調整設定PID參數以后,才將串級投用。
③一串級控制系統的主控制器為蒸汽壓力控制器,輸出正常,其輸出和壓力管道的流量信號經微分加法器后至流量副控制器的外給定。發現外給定突然下跌,但主控制器輸出正常
故障檢查、分析:此系統因主控制器的輸出和副控制器的外給定通道,加一個具有前饋作用的微分加法器相加后輸出作為副控制器的外給定。檢查發現故障是因為微分加法器的保險絲接觸不良,引起斷電,其輸出為零,導致副控制器的外給定下跌。
故障處理:更換保險絲使其接觸良好,故障消除。
④一液位一流量串級控制系統,串級調節波動較大,達不到控制指標
故障檢查、分析:分析判斷故障原因是由于副控制器的控制參數設置不當造成,副控制器積分作用過強,使回路不易控制。串級控制系統對主參數要求較高,不允許有誤差,主控制器一般選擇比例積分控制規律,當被調對象滯后較大時,可引入適當的微分作用。但對副參數要求不嚴,因副參數是跟隨主控制器輸出變化而變化,所以副參數一般采用比例控制規律就行,必要時引入積分作用。
故障處理:重新設置副參數。
2、比值控制系統維修實例
合成氣在汽化爐的調整過程中,發現汽油比在低給定值10% 時,爐溫正常、有效,氣才合格
故障檢查、分析:汽化爐的渣油裂解過程中,蒸汽的加入量是靠一個比值系統(汽/油比)來控制的,汽油比下降,蒸汽量也減少,但爐溫正常、有效氣合格,這說明實際蒸汽量并沒有減少。首先檢查回路信號是否正常,通過測量,信號傳輸無問題,又對一次差變變送器校驗,無問題。又檢查了可以進汽化爐的蒸汽管道的閥門,結果發現,停車用的事故蒸汽切斷閥處于開位,蒸汽是從這進入汽化爐的。
故障處理:關閉事故蒸汽手閥,汽油比慢慢恢復正常。然后檢查切斷閥,原來是因為電磁閥氣路堵,造成錯誤位置,更換了電磁閥,一切恢復正常。
3、均勻控制系統維修實例
某串級均勻控制系統圖2在投運時發現,主參數液位穩定在定值,而副參數波動較大,給后續工序造成較大干擾。

圖2 串級均勻控制系統
故障分析:均勻控制系統通常是對液位和流量兩個參數同時兼顧,通過均勻調節,使兩個互相矛盾的參數保持在所允許的范圍內波動,即兩個參數在調節過程中都應是緩慢變化的,而不應該穩定在某一恒定值上。
發生以上情況顯然是控制器參數整定思路及方法不對造成的,應按如下步驟整定液位控制器和流量控制器參數:
①將液位控制器的比例度調至一個適當的經驗值上,然后由小到大地調整流量控制器的比例度,同時觀察調節過程,直到出現緩慢的周期衰減過程為止。
②將流量控制器的比例度固定在整定好的數值上,由小到大地調整液位控制器的比例度,觀察記錄曲線,求取更加緩慢的周期衰減過程。
③根據對象情況,適當給液位控制器加入積分作用,以消除干擾作用下產生的余差。
④觀察調節過程,微調控制器參數,直到液位和流量兩個參數均出現更緩慢的周期衰減過程為止。
4、選擇控制系統維修實例
某合成氨廠節能控制系統中合成馳放氣自動控制系統在投入自動控制運行中突然發生壓力高報警,該系統是合成系統壓力控制系統PIC和合成馳放氣氣體組分控制系統AIC組成的選擇性控制系統。

圖3 合成馳放氣自動控制系統
故障分析:該系統在投入自動控制時,由組分變送器AT測量出循環氣中惰性氣體CH4和Ar的總量,由AIC控制以保證合成系統惰性氣體組分為一定值,這樣,可使合成氣放空損失減到最小,起到節能效果。當合成系統壓力超過額定值,壓力控制器PTC將根據壓力變送器PT檢測信號,使輸出不斷增大,通過PIS高選器,取代AIC控制器進行壓力定值控制,以防止合成系統超壓。
發生系統壓力高報警,應立即在現場用手輪操作,并首先判斷壓力變送器、報警器等無故障后,進一步檢查壓力控制器輸出是否取代組分控制器輸出值。若壓力控制器工作正常,且輸出值已達正常取代值而未通過高選器取代組分控制器,則判斷為高選器故障,若為壓力控制器故障,則迅速將此控制器切至手動,不斷調大輸出值,控制合成系統壓力。
