西門子S7-1200是一款緊湊型、模塊化的PLC,可完成簡單邏輯控制、高級邏輯控制、HMI 和網絡通信等任務。對于需要網絡通信功能和單屏或多屏HMI的自動化系統,易于設計和實施。具有支持小型運動控制系統、過程控制系統的高級應用功能。SIMATIC S7-1200具有用于進行計算和測量、閉環回路控制和運動控制的集成技術,是一個功能非常強大的系統,可以實現多種類型的自動化任務。昌暉儀表分享S7-1200系列PLC全套接線圖給大家,收藏起來慢慢看!
一、S7-1200輸入輸出接線圖
1、CPU 1211C接線圖
◆CPU 1211C AC/DC/繼電器(6ES7 211-1BE40-0XB0)接線圖

①24VDC傳感器電源
②對于漏型輸入將負載連接到“-”端(如圖示);對于源型輸入將負載連接到“+”端
◆CPU 1211C DC/DC/繼電器(6ES7 211-1HE40-0XB0)接線圖

①24VDC傳感器電源
②對于漏型輸入將負載連接到“-”端(如圖示);對于源型輸入將負載連接到“+”端
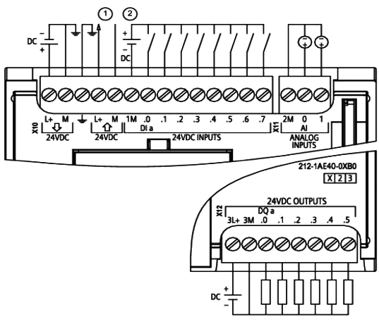
◆CPU 1211C DC/DC/DC(6ES7 211-1AE40-0XB0)接線圖

①24 VDC 傳感器電源
②對于漏型輸入將負載連接到“-”端(如圖示);對于源型輸入將負載連接到“+”端
2、CPU 1212C接線圖
◆CPU 1212C AC/DC/繼電器(6ES7 212-1BE40-0XB0)接線圖

①24VDC傳感器電源
②對于漏型輸入將負載連接到“-”端(如圖示);對于源型輸入將負載連接到“+”端
◆CPU 1212C DC/DC/繼電器(6ES7 212-1HE40-0XB0)接線圖

①24VDC傳感器電源
②對于漏型輸入將負載連接到“-”端(如圖示);對于源型輸入將負載連接到“+”端
◆CPU 1212C DC/DC/DC(6ES7 212-1AE40-0XB0)接線圖

①24VDC傳感器電源
②對于漏型輸入將負載連接到“-”端(如圖示);對于源型輸入將負載連接到“+”端
3、CPU 1214C接線圖
◆CPU 1214C AC/DC/繼電器(6ES7 214-1BG40-0XB0)接線圖

①24VDC傳感器電源
②對于漏型輸入將負載連接到“-”端(如圖示);對于源型輸入將負載連接到“+”端
◆CPU 1214C DC/DC/繼電器(6ES7 214-1HG40-0XB0)接線圖

①24VDC傳感器電源
②對于漏型輸入將負載連接到“-”端(如圖示);對于源型輸入將負載連接到“+”端
◆CPU 1214C DC/DC/DC(6ES7 214-1AG40-0XB0)接線圖

①24VDC傳感器電源
②對于漏型輸入將負載連接到“-”端(如圖示);對于源型輸入將負載連接到“+”端
4、CPU 1215C接線圖
◆CPU 1215C AC/DC/繼電器(6ES7 215-1BG40-0XB0)接線圖

①24VDC傳感器電源
②對于漏型輸入將負載連接到“-”端(如圖示);對于源型輸入將負載連接到“+”端
◆CPU 1215C DC/DC/繼電器(6ES7 215-1HG40-0XB0)接線圖

①24VDC傳感器電源
②對于漏型輸入將負載連接到“-”端(如圖示);對于源型輸入將負載連接到“+”端
◆CPU 1215C DC/DC/DC(6ES7 215-1AG40-0XB0)接線圖

①24VDC傳感器電源
②對于漏型輸入將負載連接到“-”端(如圖示);對于源型輸入將負載連接到“+”端
5、CPU 1217C接線圖
◆CPU 1217C DC/DC/DC(6ES7 217-1AG40-0XB0)接線圖

①24VDC傳感器電源
②對于漏型輸入將負載連接到“-”端(如圖示);對于源型輸入將負載連接到“+”端
③5V差分信號輸入
④5V差分信號輸出
CPU 1217C常見問題
Q1:差分信號能不能當普通的DI/DO點使用?
答:不能。詳情可見《S7-1200系統手冊》的附錄
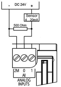
Q2:S7-1200 CPU自帶模擬量輸入通道能否接入0-20mA電流信號?怎么接線?
答:S7-1200自帶模擬量輸入通道支持0-10V電壓信號。如果需要接0-20mA電流信號, 可并聯1個500Ω的電阻。
注意:使用500Ω電阻時,必須注意這種測量方式的功率消耗。并確保電阻兩端外加DC24V電壓時,電阻功率消耗至少為1.16W。同時,此方法精度無法保證。
以S7-1200自帶模擬量輸入通道接入常用的兩線制傳感器4-20mA電流信號為例,如下圖:

二、數字量信號模塊輸入輸出接線圖
1、SM 1221數字量輸入
◆數字量輸入模塊6ES7 221-1BF32-0XB0接線圖

◆6數字量輸入模塊ES7 221-1BH32-0XB0)接線圖

對于漏型輸入將負載連接到“-”端(如圖示);對于源型輸入將負載連接到“+”端
2、SM 1222數字量輸出
◆SM1222 DQ 8×繼電器(6ES7 222-1HF32-0XB0)接線圖

◆SM1222 DQ 8×24VDC(6ES7 222-1BF32-0XB0)接線圖

◆SM1222 DQ 16×繼電器(6ES7 222-1HH32-0XB0)接線圖

◆SM1222 DQ 16×24VDC(6ES7 222-1BH32-0XB0)接線圖

SM 222 DQ 8繼電器切換模塊使用公共端子控制兩個電路:一個常閉觸點和一個常開觸點。
例如輸出"0",當輸出點斷開時,公共端子(0L)與常閉觸點(.0X)相連并與常開觸點(.0)斷開。當輸出點接通時,公共端子(0L)與常閉觸點(.0X) 斷開并與常開觸點(.0)相連。
◆SM1222 DQ 16×繼電器切換(6ES7 222-1XF32-0XB0)接線圖

3、SM 1223 數字量輸入/輸出
◆SM1223 DI 8×24VDC,DQ 8×繼電器(6ES7 223-1PH32-0XB0)接線圖

◆SM1223 DI 16×24VDC,DQ 16×繼電器(6ES7 223-1PL32-0XB0)接線圖

◆SM1223 DI 8×24VDC,DQ 8×24VDC(6ES7 223-1BH32-0XB0)接線圖

◆SM1223 DI 16×24VDC,DQ 16×繼電器(6ES7 223-1BL32-0XB0)接線圖

對于漏型輸入將負載連接到“-”端(如圖示);對于源型輸入將負載連接到“+”端
SM 1223也有交流電壓輸入、繼電器輸出的模塊, 如下所示:
SM 1223 DI 8×120/230 VAC,DQ 8×繼電器(6ES7 223-1QH32-0XB0)接線圖

數量信號板
通過信號板(SB, Signal Board)可以給CPU增加I/O。提供所有SIMATIC S7-1200控制器的低成本有效擴展,同時保持原有空間,SB連接在CPU的前端。

1、SB 1221 200kHZ數字量輸入接線
僅支持源型輸入
2、SB 1222 200kHZ數字量輸出接線
對于源型輸出將負載連接到“-”端(如圖示);對于漏型輸出將負載連接到“+”端
3、SB 1223 200kHZ數字量輸入/輸出接線
①僅支持源型輸入
②對于源型輸出將負載連接到“-”端(如圖示);對于漏型輸出將負載連接到“+”端
4、SB 1223數字量輸入/輸出接線
◆SB 1223 DI 2×24VDC/DQ 2×24VDC(6ES7 223-0BD30-0XB0)接線圖

僅支持漏型輸入
源型/漏型輸入接線說明
◆支持源型輸入的信號板:
6ES7 221-3BD30-0XB0;6ES7 221-3AD30-0XB0;6ES7 223-3BD30-0XB0;6ES7 223-3AD30-0XB0
◆支持漏型輸入的信號板:
6ES7 223-0BD30-0XB0
◆支持源型輸入的信號模板:
6ES7 221-1BF32-0XB0;6ES7 221-1BH32-0XB0;6ES7 223-1PH32-0XB0;6ES7 223-1PL32-0XB0;6ES7 223-1BH32-0XB0;6ES7 223-1BL32-0XB0
◆支持漏型輸入的信號模板:
6ES7 221-1BF32-0XB0;6ES7 221-1BH32-0XB0;6ES7 223-1PH32-0XB0;6ES7 223-1PL32-0XB0;6ES7 223-1BH32-0XB0; 6ES7 223-1BL32-0XB0
可以參考《S7-1200系統手冊》
數字量的輸入信號類型總結:CPU集成的輸入點和信號模板的所有輸入點都既支持漏型輸入又支持源型輸入,而信號板的輸入點只支持源型輸入或者漏型輸入的一種。
漏型輸入見模板接線圖,源型輸入接線參考下圖。

源型/漏型輸出接線說明
支持源型輸出的信號板:
6ES7 222-1AD30-0XB0;6ES7 222-1BD30-0XB0;6ES7 223-3AD30-0XB0;6ES7 223-3BD30-0XB0;6ES7 223-0BD30-0XB0
注意:所有支持源型輸出的晶體管輸出信號模塊都只支持源型輸出,不支持漏型輸出。
支持漏型輸出的信號板:
6ES7 222-1AD30-0XB0;6ES7 222-1BD30-0XB0;6ES7 223-3AD30-0XB0;6ES7 223-3BD30-0XB0
注意:數字量的輸出信號類型,只有 200 KHZ的信號板輸出既支持漏型輸出又支持源型輸出,其他信號板、信號模塊和 CPU 集成的晶體管輸出都只支持源型輸出。
常見問題
Q1:為何SM1223已連接,信號輸出通道指示燈也亮,但無電壓輸出?
答:S7-1200擴展模塊輸出通道指示燈電源由總線提供,但信號輸出需要模塊供電,正確接線方式如下圖所示:

三、模擬量模塊輸入輸出接線圖
SM1231模擬量輸入
SM 1232模擬量輸出
SM 1234模擬量輸入/輸出
SB 1231模擬量輸入(信號板)
SB 1232模擬量輸出(信號板)
AI連接傳感器接線方式
圖1.4 線制傳感器
圖2.3 線制傳感器
圖3.2 線制傳感器
TC 信號模塊
1、TC信號模塊接線
TC信號板接線
2、RTD信號模塊
RTD信號模塊接線
RTD信號板接線
