
溫度信號采集器特點
◆隔離式四路溫度信號采集器為低功耗設計、低溫漂、自動零點校準
◆四路輸入信號之間/通訊/電源完全隔離
◆每一路輸入信號可通過PC編程設置:熱電阻/熱電偶/電阻/mV
◆支持帶電熱插拔
◆支持背板導軌和接線端子兩種方式供電和通訊
◆支持MODBUS RTU通訊協議,通訊速率高達115200bps
◆與以太網網關YR-9710A配合使用可支持MODBUS TCP/IP,簡化安裝、維護流程
溫度信號采集器技術指標
◆供電:24VDC
◆溫度信號采集器輸入信號:熱電阻/熱電偶/電阻/mV
◆輸入通道:4路
◆通訊接口:RS485
◆通訊協議:MODBUS
◆溫度信號采集器冷端精度:1℃
◆溫度漂移:0.005%FS/℃
◆溫度信號采集器組態方式:PC可編程
◆電磁兼容:IEC61326
◆隔離能力:1500VAC
◆工作溫度:-20℃~+60℃
◆存儲溫度:-40℃~+85℃
◆環境濕度:≤95%ARH非凝結
◆防護等級:IP20
◆隔離式四路溫度信號采集器外形尺寸:17.5×90×110mm(寬×高×深)

◆溫度采集器采用低功耗長壽命設計,6年質保,滿足工業現場高可靠性長期穩定運行需求
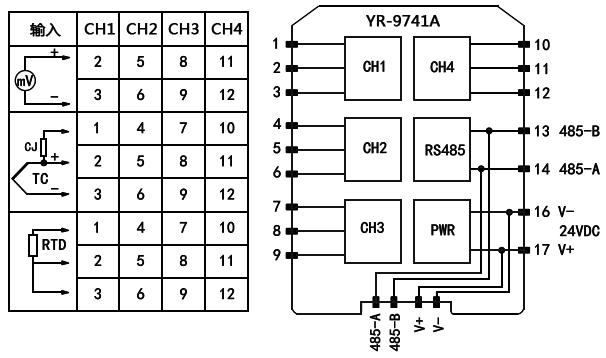
四路溫度信號采集器:YR-9741A
溫度信號采集器YR-9741A接線圖
