檢測端隔離安全柵安裝在空氣中不含對鉻、鎳、銀鍍層起腐蝕作用的介質的控制柜內,需要外接20-35VDC電源。安全柵輸入、輸出和電源之間完全隔離,安全柵穩定性、可靠性、低溫度漂移和精度等質量核心技術指標與進口產品媲美,產品質量口碑和高性價比是客戶選擇昌暉儀表的根本。


檢測端隔離安全柵訂貨型號
①檢測端隔離式安全柵
◆YR9120A-EX-N
一入一出檢測端隔離安全柵(危險側1路4-20mA輸入,安全側1路4-20mA輸出,DC24V獨立供電)
◆YR9121A-EX-N
一入二出檢測端隔離安全柵(危險側1路4-20mA輸入,安全側2路4-20mA輸出,DC24V獨立供電)
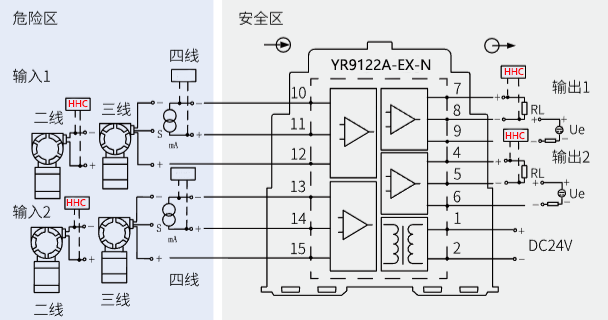
◆YR9122A-EX-N
二入二出檢測端隔離安全柵(危險側2路4-20mA輸入,安全側2路4-20mA輸出,DC24V獨立供電)
②帶浪涌保護檢測端隔離式安全
◆YR9120A-EX-LP
一入一出帶浪涌保護檢測端隔離安全柵(危險側1路4-20mA輸入,安全側1路4-20mA輸出,帶輸入浪涌保護,DC24V獨立供電)
◆YR9121A-EX-L
一入二出帶浪涌保護檢測端隔離安全柵(危險側1路4-20mA輸入,安全側2路4-20mA輸出,帶輸入浪涌保護,DC24V獨立供電)
◆YR9122A-EX-L
二入二出帶浪涌保護檢測端隔離安全柵(危險側2路4-20mA輸入,安全側2路4-20mA輸出,帶輸入浪涌保護,DC24V獨立供電)
檢測端隔離安全柵核心技術
1、檢測端隔離安全柵輸入過流保護,具有浪涌保護功能(訂貨時需要說明,另適當收費)
2、使用進口元器件、低功耗極低,有效提高檢測端隔離安全柵穩定性和延長電子器件老化時間
3、輸入信號開路、短路、反接和超量程報警功能,檢測端隔離安全柵出現報警時面板報警指示燈亮
4、檢測端隔離安全柵在精度、溫度漂移、穩定性、可靠性、功耗性能指標上達到國外先進產品技術水平
5、數字化結構,并采取環境溫度自動補償,零點和滿度自動校準,多年保證精度不變
6、檢測端隔離安全柵接二線制、三線制、四線制變送器,寬范圍供電,符合EMC標準

檢測端隔離安全柵技術參數
◆適用現場設備:0區、1區、2區、ⅠA、ⅡA、ⅡB、ⅡC危險區,適用于電流源、二線制變送器、三線制變送器。檢測端隔離安全柵可以和眾多廠家產品相連接(ABB、Fisher、Rosemount、Honeywell、Siemens,以及引進技術的1151、3051、EJA、SMART等產品)
◆精度:0.1%F.S
◆電源:20-35VDC
◆輸入(危險區):4-20mA(標準配置)
◆輸出(安全區):4-20mA(標準配置)或1-5V
◆消耗功率(低功耗):一進一出<1.5W;一進二出<2.0W;二進二出<2.5W
◆波紋:<10mVrms
◆電源指示:PWR:電源指示燈(綠色)
◆集中供電:可集中供電(訂貨選件)
◆溫度漂移:0.01FS/℃
◆溫度系數:<50ppm/K的測量值/100Ω負載
◆絕緣強度:本安端-非本安端AC2500V/分鐘,非本安端之間AC1000V/1分鐘
◆負載電阻:0-500Ω
◆浪涌保護:浪涌保護功能為選件,型號最后有LP標識;最高連續工作電壓30VDC(線對地、線對線);額定放電電流In:5kA(線對地、線對線);最大放電電流Imax:10kA(線對地)
◆響應時間:<2ms(0-90%)
◆絕緣電阻:輸入、輸出和電源之間,100MΩ(DC500V)
◆工作溫度:-20-70℃,濕度:35%-85%RH
◆外殼材料 :藍黑相間ABS阻燃外殼機構件
◆外形尺寸:厚13.3×寬113×高121mm(一入二出);厚18.3×寬113×高121mm(二入二出);
◆安全柵重量:200克
◆檢測端隔離安全柵質保期:60個月
檢測端隔離安全柵防爆認證參數
認證單位:國家防爆電氣產品質量監督檢驗中心
防爆標志:[Exia Ga]ⅡC
認證參數 :Um=250VAC/DC;一進一出YR9120A-EX端子(8-9)、一進二出YR9121A-EX端子(8-9)、二進二出YR9122A-EX端子(10-12、13-15):Uo=28VDC,Io=93mA,Po=0.65W,Co=0.08uF,Lo=2.4mH;一進一出YR9120A-EX端子(7-8)、一進二出YR9121A-EX端子(7-8)、二進二出YR9122A-EX端子(10-11、13-14):Uo=5VDC,Io=---mA,Po=---W,Co=70uf,Lo=---mH;一進一出YR9120A-EX端子(7-9)、一進二出YR9121A-EX端子(7-9)、二進二出YR9122A-EX端子(11-12、14-15):Uo=28.7VDC,Io=93mA,Po=0.67W,Co=0.07uf,Lo=2.2mH
檢測端隔離安全柵接線圖
①一進一出YR9120A-EX檢測端隔離式安全柵接線圖

②一進二出YR9121A-EX檢測端隔離式安全柵接線圖

③二進二出YR9122A-EX檢測端隔離式安全柵接線圖

操作端隔離安全柵
