與傳統傳感器相比,集成電路(IC)溫度傳感器具有設計簡單、體積小、價格低、響應速度快、精確度高、集成度高等優點,在計算機、通信、電信及工業控制等領域得到廣泛應用。例如,可以將溫度傳感器直接嵌入到功率集成電路的熱源中去探測溫度,精準地控制功率管的溫度,從而提高智能功率集成電路芯片的可靠性。
由于CMOS工藝具有集成度高、成本低、功耗低、與標準數字工藝兼容以及芯片面積小等優點,可以集成更多的信號感知、調節、轉換、處理和控制等功能,已成為智能溫度傳感器的主流工藝技術。采用0.16μm CMOS工藝制作的傳感器在-55℃~125攝氏度溫度范圍內的測溫誤差達到±0.15℃;有文獻報道,在軍用溫度范圍內的測溫誤差達到±0.1℃。根據市場研究公司Marketstand Markets的分析報告,CMOS溫度傳感器2013-2020年市場占有額年均增長46.16%,預計2020年達到9.6億美元。CMOS工藝的應用使得傳感器智能化加速發展,片上智能CMOS溫度傳感器在現代熱管理系統中已被廣泛采用。
本文概述了IC溫度傳感器的技術現狀,在分析IC溫度傳感器原理的基礎上提出了設計控制、工藝控制、應力控制等幾種精度控制要素,從原理、設計、工藝、應用等方面對IC溫度傳感器進行了探討。
1、IC溫度傳感器技術采用
CMOS工藝設計并制作IC溫度傳感器有多種方法,通常歸納為4類:①BJT基溫度傳感器;②MOSFET基溫度傳感器;③環振蕩器基溫度傳感器;④傳播線基溫度傳感器。在這些方法中,熱二極管、熱晶體管(基極連接在一起可構成二極管)可以作為敏感元件。在CMOS工藝中,可采用寄生雙極晶體管作為溫度敏感元件,將BiCMOS或BCD等先進CMOS工藝中包含的雙極晶體管結構加以利用。采用BiCMOS工藝制造的集成溫度傳感器將雙極晶體管作為溫度傳感器的感溫元件,具有受工藝波動的影響小、與標準數字工藝兼容、功耗低等優點。
SOI CMOS微熱板等高溫測溫技術也在探索中。受到熱敏二極管可用溫度范圍的限制,采用體硅工藝制作的傳感器的測溫范圍被限制在-55~150℃的范圍內。若采用SOI工藝,測溫范圍可擴大到--55~200 ℃。比利時Catholic University of Louvain大學微電子實驗室使用SOI工藝技術(FD SOI工藝的SOI橫向PIN晶體管),大大擴展了溫度范圍,設計出的傳感器工作溫度為25-250℃,精度為3℃,分辨率為0.8℃,僅需2個校準點。在新加坡科學工程研究委員會的項目中,技術人員研究出一種工作溫度高達250℃的智能溫度傳感器前端。
1.1 熱二極管
熱二極管傳感器的優點是能與IC工藝兼容,且成本較低。當二極管由一恒定正向電流驅動時,其正向偏置電壓隨著溫度的升高而線性降低,這一性質被用于制作IC溫度傳感器。若要進一步增加靈敏度,可以采用2個或多個二極管串聯的方式,典型的可用溫度范圍是-100~250℃。
1.2 熱晶體管
在集成電路中,熱二極管實際由基極連在一起的雙極晶體管構成。普通二極管作為溫度傳感器,雖然制作工藝簡單,但其線性度差。因此,將NPN晶體管的BC結短接,在基極和射極擴散區形成唯一有源結,利用BC結作為感溫元件,即通常的2個三極管形式。若先對三極管的兩端加上高正向偏置電流,再加上低的正向偏置電流,讓這2個電壓的電壓差ΔVBE僅僅取決于這2個電流的比值,使其接近理想的PN結,其線性度接近理論推導值,從而獲得較高的溫度檢測精度。
1.3 遙感傳感
將1個遙感熱二極管(或者熱晶體管)安裝于封裝之內或安裝在發熱系統同一芯片上,傳感器的其他部分不與系統直接接觸,可通過遙感進行控制。傳感器還包括A/D轉換器、邏輯電路以及讀出電路,可向微控制器發送優化系統所需的電熱信號。
1.4 帶隙基準
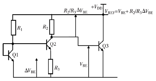
帶隙基準電路是先進IC溫度傳感器的基本單元,用于產生獨立于溫度的基準電壓VREF。帶隙電路提供的基準電壓等于硅在零溫度時帶隙電壓的外推值1.205V。Widlar單元作為與溫度無關的輸出基準電壓源,如圖1所示,可將帶隙電壓電路轉化為電壓正比于絕對溫度(VPTAT)的傳感器。觀察電阻R2兩端的電壓降,它正比于絕對溫度并且被R2/R3放大。而電流正比于絕對溫度(IPTAT),視為恒流發生器,與絕對溫度呈線性變化。一般地,VPTAT增益為6-20mV/℃的模擬傳感器以及IPTAT增益為1-10μA/℃的模擬溫度傳感器,其精度的變化范圍約為0.5%-2%。

圖1 Widlar單元作為與溫度無關的輸出基準電壓源
1.5 CMOS傳感器
1.5.1 敏感器件
大多數CMOS(如BiCMOS和BCD)傳感器利用了雙極晶體管的特性。基本的、精度最高的CMOS溫度傳感器是硅PN結二極管(即熱二極管)。硅雙極結型晶體管工作于二極管模式時,可作為溫度傳感器。標準CMOS傳感器工藝主要利用2種類型的寄生雙極晶體管作為感溫器件。
1.5.2 工作原理
CMOS智能溫度傳感器模擬前端的工作原理如圖2所示,其中,圖2(a)所示為2個以二極管形式連接的PNP(襯底、寄生、雙極)晶體管結構,圖2(b)所示為CMOS溫度傳感器結構。圖2中,2個相同晶體管的VBE差值表現為正溫度系數,與溫度或集電極電流的特性無關,即ΔVBE與絕對溫度成正比。如果工作在不相等的電流密度下,那么它們的射極-基極電壓用于產生電壓值,其電壓值正比于絕對溫度的數值VPTAT以及帶隙基準電壓VREF,VPTAT與VREF二者之比就是溫度測量值。注意到圖2中的帶隙電壓隨溫度降低而下降的數值為2mV/K。因此需要加上α×ΔVBE以補償電壓降低值,使VREF保持恒定。

圖2 CMOS智能溫度傳感器工作原理
1.5.3 CMOS橫向雙極晶體管(CLBT)和CMOS縱向雙極晶體管(CVBT)
標準CMOS傳感器主要利用CLBT和CVBT這2種類型的寄生雙極晶體管作為感溫器件,CVBT和CLBT的剖面圖如圖3所示。CLBT是分別與NMOS管或PMOS管處于平行位置的橫向NPN或PNP晶體管,如果MOS管的柵極處于空置狀態,并且對雙極管基極-發射結進行正向偏置,雙極晶體管就處于工作狀態。CVBT是P阱CMOS NPN或CMOS PNP的2中襯底寄生晶體管CVBT以源漏擴散作為發射極,阱作為基區,襯底作為集電極,其性能與雙極晶體管較接近,缺點是集電極被固定在芯片的襯底,使用范圍受到限制。

圖3 CVBT和CLBT的剖面圖
CLBT以MOSFET的源-漏擴散作為發射極和集電極,溝道作為基區,工序相對簡單,且集電極不受限制。由于基區摻雜濃度偏差造成溝道載流子遷移率不均勻,以及側向擴散導致基區發射極面積和基極寬帶無法精確控制,工藝精確控制困難,晶體管的電流增益一般小于5。
采用雙極晶體管制作的溫度傳感器存在如下缺陷:當該結構工作在AC電源下,因為襯底漏電流的存在,會出現信號幅度隨頻率變動的現象??赏ㄟ^采用具有N型埋層的CMOS偏置源來解決。
1.6 脈寬調制(PWM)傳感器
脈寬調制(PWM)溫度傳感器基于溫度占空比的輸出信號,可以通過VPTAT和頻率轉換器的電壓獲得。
2、CMOS傳感器精度控制
2.1 設計控制
CMOS智能溫度傳感器所能達到的精度通常由雙極晶體管的精度確定,因此,可以從模型、設計、校準、工藝等方面著手。
①用精密模擬IC設計保證只能有唯一主要誤差源VBE。電路設計應保證雙極晶體管偏置電流工作在最適宜精確感測溫度的區域;需要設計高精度A/D轉換器,以便準確獲得基極-發射極電壓。
②開發出有效的校準技術,對因為VBE而產生的誤差進行校準,這與生產線工藝設計相關。智能傳感器的校準可以在晶圓級,即在傳感器被切片或封裝前或封裝后進行。若需要誤差低于±0.5℃,則要在封裝后進行校準。
③在智能傳感器中加入一個抵消或補償溫度波動的控制動作。例如,動態誤差校準技術就是在傳感器前端加入具有濾波功能的A/D轉換器,從而將接收的已被前端調制的干擾輸入信號濾除掉。
2.2 工藝控制
硅熱敏二極管的性能將受到IC工藝和可靠性的限制。結溫通常受到金屬接觸的電遷移、電路閉鎖、導線鍵合可靠性、封裝可靠性以及離子污染效應的限制。因此,對這些因素必須進行有效控制。
智能溫度傳感器的發射極-基極電壓VBE的重復性基本決定了傳感器的初始精度。例如,如果工藝特征尺寸發生變化,導致薄膜電阻和VBE的數值發生變化,即薄膜電阻和VBE的分布會隨著工藝特征尺寸的不同而發生變化。可以通過修調等工藝對VBE等參數進行控制,修調需建立在對參數分布準確認識的基礎之上。
2.3 應力控制
在組裝和封裝過程中產生的機械應力,會導致雙極晶體管特性發生改變??刂茟π枰獙鶚O-發射極電壓的溫度效應進行量化,找到最小化性能參數漂移的方法。
2.4 熱管理
CMOS智能溫度傳感器片上智能CMOS溫度傳感器具有本地探測和接口適配等特點,在現代熱管理系統中被廣泛采用。在超大規模IC的寬溫度工作范圍應用中,僅僅要求中等測量精度(±1-2℃)。這類傳感器的工作電壓已低至0.8V,電源靈敏度達到4℃/V。在25℃和45℃進行兩點校準之后,傳感器在-40~125℃溫度范圍內誤差達到-0.6-0.8℃。片上智能溫度傳感器的參數比較如表1所示。在0.9V電源的條件下,A/D轉換器采樣率為5kS/s時,功耗僅為11.8μW,這些指標已滿足熱管理應用要求。
表1 片上智能CMOS溫度傳感器的參數比較
參數 文獻[6] 文獻[7] 文獻[8] 文獻[9] 文獻[10] 文獻[11] 文獻[12]
工藝/μm 0.16 0.35 0.18 0.13 0.18 0.18 0.18
面積/mm2 0.085 0.6 0.04 0.12 0.18 0.35 0.09
電源電壓/V 0.85-1.2 3.3 1 1.2 1.2-2 1.8 1.2
電源靈敏度/(℃×V-1) 0.45 28 - - 0.6 - 14
溫度范圍/℃ -40~125 0-90 -10~30 0-110 0-100 -40~85 0-100
誤差/℃ ±0.4(3σ) -0.4~0.6 -0.8~1.0 -4~4 -0.5~0.5 ±0.15(3σ) -1.4~1.5
分辨率/℃ 0.063 0.09 0.21 0.78 0.25 0.006 0.3
采樣率/S×s-1 167 2 33.3 5k 80k 10 32.8
校準條件/℃ 30 10,70 -10,30 50 30 3個點 10,90
2.5 高溫傳感技術
CMOS溫度傳感器若工作在高于150℃溫度范圍下,CMOS器件的性能將嚴重退化,襯底注入、短溝道效應等寄生效應將加劇。采用SOI IC新工藝后,結構中寄生的PN結漏電減小,被測溫度提升至250℃。例如,有一種通過1μmSOI CMOS工藝實現的新技術,它采用不同溝道長度來補償NMOS和PMOS管閾值電壓溫度系數之間的失配。電壓基準源電路在-25~250℃溫度范圍內,閾值電壓溫度系數的精度達到27‰;在25-150℃溫度范圍內,閾值電壓溫度系數的精度達到18.7‰。在275℃的溫度下,平均測溫誤差為±1.8%。另外,與CMOS工藝兼容的微熱板工藝可實現CMOS微板系統的工作溫度達到500℃。
傳感器應用中微小型化和智能化的需求推動溫度傳感器向以CMOS智能傳感器為主流的IC溫度傳感器發展。從設計、工藝和封裝等方面保證雙極晶體管的特性,對于CMOS傳感器的精度控制是至關重要的。在現代熱管理系統中,采用不同線寬的CMOS工藝可以制作出不同性能的傳感器。采用SOI IC工藝和微熱板工藝可以實現200℃以上的溫度測量。
作者:中國電子科技集團公司第二十四研究所 任芳、徐婉靜、賴凡、張楊波、王文捷、邱盛
相關閱讀
溫度傳感器時間常數和滯后
DS1820智能溫度傳感器,你知多少
常用溫度傳感器及其接口電路介紹
如何正確計算溫度傳感器插入深度
