電力系統中的負載類型大部分屬于感性負載,加上用電企業普遍廣泛地使用電力電子設備,使電網功率因數較低。較低的功率因數降低了設備利用率,增加了供電投資,損害了電壓質量,降低了設備使用壽命,大大增加了線路損耗。故通過在電力系統中連入電容補償柜,可以平衡感性負載,提高功率因數,以提升設備的利用率。
電容補償柜作用及工作原理
電容補償柜的作用是提高負載功率因數,降低無功功率、提高供電設備的效率。電容補償柜是否正常工作可通過功率因數表的讀書判斷,功率因數表讀數如果為0.9左右可視為工作正常。合上刀熔開關和斷路器,無功功率補償控制器根據進線柜電壓和電流的相位差輸出控制信號,控制交流接觸器的閉合和斷開,從而控制電容器投入和退出。下圖給出了其實物結構和一次電路主電路圖。

電容補償柜二次原理圖
二次電路工作原理的過程為:手動工作時,轉換開關KK從KK21-22開始每轉過一個位置多接通一個LED燈,表示1-8個電容器依次進入使用狀態;自動接通時,轉換開關KK如在KK1-2位置停下,那么除停下的位置,其余均接通。二次電路原理圖如下所示。

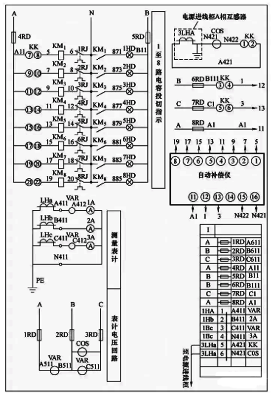
電容補償柜二次電路安裝接線圖
二次電路安裝接線圖如下所示。

讀圖方法為:如A611/1:Ua,其中A611是線號,1為元件號,Ua為元件端子號;再例如7:5,其中7代表元件號,5代表元件端子號;29:A2,其中29代表元件號,A2代表元件端子號。
電容補償柜二次電路的安裝工藝
①使用工具:剝線鉗、剪刀、螺釘旋具、壓接鉗、適用套筒扳手、尖口鉗、彎線鉗、搭燈、活絡扳手、電工刀。
②根據圖樣,安裝二次系統的繼電器、儀表、信號燈、端子排等電器元件及其附件。
③按布置圖粘貼元件標號,標號一般粘貼在該元件正中上部的金屬構架上,個別情況元件上方不能粘貼標號時,可就近選擇適當位置粘貼。
④根據圖樣確定配線途徑。按配線途徑量線,正確落料(一般放長300~500mm),且兩端做好標記或套上線號,即按配線途徑進行敷設。
⑤導線的敷設應做到橫平豎直,層次美觀清晰,用扎帶捆扎或用繞帶繞扎。可將二次線敷設在專為配線用的塑料行線槽內,此時只需將導線整理清楚而無須捆扎。
電容補償柜裝配步驟
安裝接線按照先左后右、從上到下、由里到外、先難后易的接線原則進行接線。先接無功功率表、電流表、電壓表;然后接自動補償儀、萬能轉換開關;完成以后進行捆扎線保持橫平豎直轉角為90°。端子排接線要留出一段線,每只端子上接線螺釘最多接兩根導線。然后接線電流互感器、交流接觸器、熱繼電器。
