固態繼電器(solidstate relay,簡稱SSR)是把光控晶閘管和發光二極管封裝在一起,兩者間保證電的隔離,只有光的聯系,和繼電器里的線圈與接點互相隔離一樣,通過發光管的亮和滅就能控制晶閘管電路的通斷,其功能與普通電磁繼電器一樣。 固態繼電器除了在電路通斷過程中無機械運動、無接點、因而沒有磨損和火花之外,又把弱電控制信號和強電被控制電路隔離開來,把繼電器的功能和優點都體現了出來,同時由克服了繼電器的缺點。
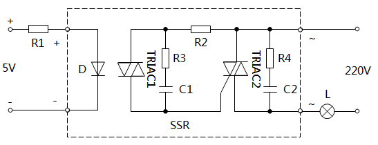
固態繼電器的原理如圖1所示:

圖1 固態繼電器原理
控制電路的直流電壓經過限流電阻R1后,得到大約10-20mA的電流,使發光管D發亮,引起小功率光控晶閘管(在此是雙向晶閘管)TRIAC1導通,用它觸發主電路里的大功率雙向晶閘管TRIAC2,使之導通,于是負載L得電。圖中其余電阻電容為過壓保護及限流之用。
由圖可知,固態繼電器有四個引出端,其中兩個標有正負號的應按照極性接直流觸發信號,其電流不可太大,一般在25mA以下,以免燒毀發光管。另外兩個標有“AC”或“~”的端子和負載串聯后接在交流電路里。如果被控制的功率大,這兩個端子上的導線應該較粗。
固態繼電器的種類相當多,其中為控制直流電路而用的直流固態繼電器,常常是由光電隔離線路和大功率晶體管組合而成的。 應用最廣泛的還是交流固態繼電器。但是后者也并不都是用雙向晶閘管(TRIAC)構成的,有的是用兩個普通晶閘管(SCR),以反向并聯的方式控制交流主電路的。就其觸發方式來看,雖然多半用過零觸發的方式(也叫零壓型,或“Z”型),但是也有移相觸發的(也叫調相型,或“P”型)品種,固態繼電器采用移相觸發時會產生較大的高次諧波電磁干擾。
固態繼電器應用經驗分享
①國外的SSR觸發信號(即通過發光管的電流)推薦值為直流10mA,國產的SSR觸發信號推薦值為直流12-25mA。
②多個SSR可以用同一個觸發信號,這在三相交流負載的控制上常常用到。例如,用兩個SSR分別串聯在兩個相里另外一相不控制,這種情況下兩個SSR必須同時通斷,用同一觸發信號就可以保證同時動作。這時把兩個SSR 的觸發電路串起來驅動,每一個SSR按4V壓降考慮,12V可驅動三個。
③用SSR控制三相電動機換向時,可用四個SSR分則接在正反轉電路里,另一相不控制, 但是要特別注意:必須在電機停穩之后才允許換向, 以免正在導通的SSR尚未關斷就導通了另外的SSR。
④用SSR也要注意保護,用快速熔斷器時,昌暉儀表建議按額定工作電流的1.2倍選用。
⑤固態繼電器的交流工作電壓有220V和380V等規格,交流工作電流有1A,3A,5A,10A等規格,外形尺寸及安裝方式也不盡相同,選用時要注意。
固態繼電器的驅動信號通常來自溫控器或者移相觸發器,如果要熟練使用固態繼電器,您應該前往溫控器或者移相觸發器產品頁面深入了解這兩種與固態繼電器配套產品及接線等方面知識!

溫控器 移相觸發器
固態繼電器相關閱讀
固態繼電器的作用及優缺點
