電動機斷電后,由于慣性作用,不會馬上停止轉動。這種情況對于某些生產機械是不適宜的。往往需要在電動機斷電后采取某些制動措施。制動的方法一般有兩類,一是機械制動,二是電氣制動。
1、機械制動
利用外部的機械作用力使電動機轉子迅速停止轉動的方法稱作機械制動。應用較多的機械制動裝置是電磁抱閘,它采用制動閘緊緊抱住與電動機同軸的制動輪來產生機械制動力。由于結構上的區別,這種制動又有通電制動和斷電制動兩種方法。即一種方法是電磁抱閘的線圈通電時產生制動作用,另一種方法是電磁抱閘的線圈斷電時產生制動作用。電磁抱閘的線圈雖然要受電源控制才能啟動制動或解除制動,但制動力的產生和解除依賴于電磁抱閘裝置的彈簧等機械結構,因此稱作機械制動。

上圖為通電制動的電磁抱閘控制電路。電動機通電運行時,電磁抱閘線圈YB斷電,起制動作用的閘瓦和閘輪分離,不影響電動機的正常運行。當電動機斷電停止運行時,電磁抱閘的線圈YB得電,閘瓦緊緊抱住閘輪使電動機迅速停車,實現了制動。電動機被制動停車后,電磁抱閘的線圈處于斷電狀態。這時操作人員可用手動方法扳動傳動軸調整工件或進行對刀操作。具體操作與動作的順序如下,首先合上電源開關QS,之后如果準備起動電動機,則按下起動按鈕SB2,交流接觸器KM1線圈通電,接觸器KM1的常開輔助觸點閉合自鎖,同時,其主觸點閉合,電動機M得電起動運轉。
電動機停機制動時,按下復合按鈕SB1,其常閉觸點首先斷開,接觸器KM1的線圈斷電,常開輔助觸點斷開,KM1的自鎖解除,主觸點斷開,電動機M斷電停機;之后SB1的常開觸點迅即閉合,接觸器KM2線圈得電,主觸點閉合,電磁抱閘線圈YB通電,電磁抱閘的閘瓦緊緊抱住閘輪使電動機迅速停車,實現制動。電動機制動停轉后,松開復合按鈕SB1,接觸器KM2線圈斷電,電磁抱閘線圈YB斷電,抱閘松開。

上圖為斷電制動的電磁抱閘控制電路。它是在電源切斷時才起制動作用,機械設備在停止狀態時,電磁抱閘的閘瓦緊緊抱住閘輪使電動機可靠停車。廣泛應用于起重機、卷揚機、電梯等升降機械設備上。當設備運行到一定高度時,如果突然停電或供電線路出現故障導致電動機斷電時,電磁抱閘線圈YB也斷電,起制動作用的閘瓦和閘輪迅速抱緊起到制動作用,這樣可以保證被起重的重物停留在斷電位置,電梯被迅速制動則能保證乘客的安全,防止發生意外。這種制動方式的具體操作與動作的順序如下,首先合上電源開關QS,之后如果準備起動電動機,則按下起動按鈕SB2,交流接觸器KM線圈通電,接觸器KM的常開輔助觸點閉合自鎖;使接觸器保持在吸合狀態;其主觸點閉合,電磁抱閘的線圈YB得電,松開電磁抱閘的閘瓦和閘輪,與此同時,電動機M得電起動運轉。
電動機停機制動時,按下停止按鈕SB1,接觸器KM的線圈斷電,常開輔助觸點斷開,KM的自鎖解除,主觸點斷開,電動機M斷電停機;電磁抱閘的線圈YB同時斷電,電磁抱閘的閘瓦緊緊抱住閘輪使電動機迅速停車,實現制動。
2、電氣制動
電氣制動是電動機停機時使電動機產生一個與電動機旋轉方向相反的電磁轉矩,起到制動作用。這時電動機將軸上吸收的機械能轉換成電能,該電能消耗于轉子電阻上或反饋回電網。電氣制動有能耗制動、反接制動、再生回饋制動和電容制動等。電氣制動可以使電力拖動系統盡快停車或減速,對于位能性負載還能獲得穩定的下降速度。
①反接制動
三相異步電動機的反接制動可分為電源反接制動和倒拉反接制動兩種。
◆電源反接制動
使用改變電動機定子繞組電源相序的方法來獲得制動力矩叫做反接制動。當電動機需要停轉制動時,先使電動機脫離電源,然后迅速給電動機接上一個與電動狀態相序相反的電源,使電動機產生一個與原轉動方向相反的電磁轉矩,電動機轉速迅速下降并最終停轉。但在電動機轉速接近零值時,應立即切斷反接制動電源,否則,電動機將反向起動。為了能在電動機轉速接近零值時及時切斷電動機的反接制動電源,防止反轉起動,通常在制動電路中接入一個速度繼電器KS,速度繼電器的轉子與電動機的軸相連,電動機運轉時,速度繼電器KS的轉子跟隨旋轉,當轉速等于或超過120r/min時,KS的常開觸點閉合;電動機在制動過程中轉速接近零值時,例如轉速從幾千轉降至低于100r/min時,KS的常開觸點斷開。

單向運轉電動機的電源反接制動控制電路見上圖,圖中KM1是運轉接觸器,KM2是反接制動接觸器,KS是速度繼電器,R是反接制動限流電阻,可以防止制動過程中電流過大。
電動機停機制動時,按下停止按鈕SB1,接觸器KM1的線圈斷電,常開輔助觸點斷開,KM1的自鎖解除,主觸點斷開,電動機M斷電停機;KM1的常閉輔助觸點閉合,成為反接制動接觸器KM2線圈通電的另一個條件;按下停止按鈕SB1使該按鈕的常開觸點閉合,由上圖可見,反接制動接觸器KM2線圈的電源已經接通,KM2的主觸點閉合,經限流電阻R將電動機接入一個與電動狀態相序相反的電源,電動機開始反接制動,轉速迅速降低,當電動機轉速降低至100轉左右時,速度繼電器KS的常開觸點斷開,接觸器KM2線圈斷電釋放,制動過程結束。

雙向運轉電動機的電源反接制動控制電路見上圖,該電路使用的電器元件見下表。
符號 名稱 電路功能
KM1 交流接觸器 1.正轉運行接觸器;2.反轉運行時的反接制動接觸器
KM2 交流接觸器 1.反轉運行接觸器;2.正轉運行時的反接制動接觸器
KM3 交流接觸器 電動機起動時轉速達到120r/min,KM3動作短接限流電阻R
KA1 中間繼電器 電動機正轉運行停機時,觸點KA1-1接通KM2線圈電源,使反接制動開始
KA2 中間繼電器 電動機反轉運行停機時,觸點KA2-1接通KM1線圈電源,使反接制動開始
KA3 中間繼電器 電動機停機時,經KA1或KA2觸點接通KM2或KM1線圈電源,啟動反接制動
KS 速度繼電器 檢測電動機正轉或反轉的轉速,低于100r/min時控制結束制動過程
SB1 復合按鈕 停機及制動按鈕
SB2 按鈕 正轉起動按鈕
SB3 按鈕 反轉起動按鈕
R 限流電阻 起動及反接制動時的限流電阻
FU1 熔斷器 電動機短路保護
FR 熱繼電器 電動機過載保護
雙向運轉電動機的電源反接制動控制電路,正向運轉時的起動過程分析見下圖。
雙向運轉電動機的電源反接制動控制電路,正向運轉時的制動過程分析見下圖。
電動機反向運轉的起動、以及停機時的反接制動過程與上述分析相似,區別有三:一是正向運轉起動使用按鈕SB2,反向運轉起動使用按鈕SB3;二是正向運轉起動時給電動機接通正相序電源的是接觸器KM1,而反向運轉起動時給電動機接通反相序電源的是接觸器KM2;三是正向運轉的停機制動由速度繼電器的KS-1觸點和中間繼電器KA1參與控制,而反向運轉的停機制動由速度繼電器的KS-2觸點和中間繼電器KA2參與控制。
◆倒拉反接制動
三相繞線轉子型異步電動機拖動位能性負載倒拉反接制動的原理可參見上圖a ,這里我們引用三相異步電動機的機械特性曲線進行討論。電動機轉速與電磁轉矩關系的曲線稱為機械特性曲線,它是研究電動機起動、控制、制動、調速的重要工具,用機械特性曲線來分析電動機的工作情況有時更為方便。電動機工作在額定電壓和額定頻率下,定子繞組按規定方式連接,定子和轉子電路不外接電阻等其它電路元件,由電動機本身固有的參數所決定的機械特性稱為固有機械特性。電動機正常運行時其工作點就在這條固有機械特性曲線上,如上圖b曲線1的a點。人為地改變異步電動機定子電壓、電源頻率、定子極對數、定子回路電阻或電抗、轉子回路電阻或電抗等參數中的一個或多個參數所獲得的機械特性,稱為人為機械特性,例如上圖b中曲線2就是在電動機轉子回路中串入電阻R2b(見上圖a)以后獲得的人為機械特性。
電動機正常提升重物時運行在上圖b的固有機械特性曲線1的a點,如果在電動機轉子回路中串入電阻R2b,則得到一條新的人為機械特性2。在串入電阻瞬間,電動機轉速因機械慣性來不及變化,所以電動機的工作點從固有機械特性曲線1的a點平移至人為機械特性2的b點(因為a點和b點對應的轉速相同),由于b點對應的電磁轉矩Tb小于a點對應的負載轉矩TL,拖動系統開始減速,當轉速降低為0工作點已經到達曲線2的c點時,電動機的電磁轉矩Tc仍然小于負載轉矩TL,在位能負載的重力作用下拖動電動機反向旋轉,此時電動機的轉速n<0,而電磁轉矩T>0,所以電磁轉矩T成為制動轉矩,電動機進入反接制動狀態。在位能負載重力作用下,電動機反轉加速,由人為機械特性2可見,其電磁轉矩逐漸增大,當達到曲線2的d點時,Td=TL,即電磁轉矩等于負載轉矩,此時電動機轉速穩定在nd上,以穩定的轉速下放重物,處于穩定制動運行狀態。
只要適當選擇電動機轉子回路的串聯電阻R2b,倒拉反接制動能獲得任意低的轉速來下放重物,所以安全性較好。
◆能耗制動
將運行中的電動機從交流電源上切除并立即在定子繞組任意兩相中通入直流電源,迫使電動機迅速停轉的方法稱為能耗制動。流過電動機定子繞組的直流電流在電動機中產生一個靜止的恒定磁場,而轉子因慣性仍然按原方向旋轉,轉子導體切割恒定磁場產生的感應電動勢和感應電流與恒定磁場相互作用產生電磁力與電磁轉矩,該電磁轉矩的方向與轉子旋轉方向相反,因此起到制動作用。這種制動是將轉子動能轉換為電能消耗在轉子回路電阻上,動能消耗殆盡最終使轉子停轉,所以稱作能耗制動。能耗制動常采用兩種方法,一是無變壓器的半波整流能耗制動電路,二是有變壓器的橋式整流能耗制動電路。
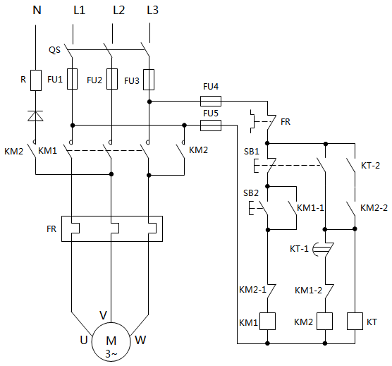
◆無變壓器的半波整流能耗制動電路
這種能耗制動電路的控制電路見上圖,采用一只晶體二極管進行半波整流作為直流電源,因此線路簡單,成本低,常用于10kW以下小容量電動機。這種制動電路的工作過程分析如下。
電動機起動運行時,按下起動按鈕SB2,這時交流接觸器KM1線圈得電動作,其輔助常開觸點KM1-1閉合自鎖;輔助常閉觸點KM1-2切斷接觸器KM2的線圈通路實現互鎖;主觸點閉合,電動機起動開始運轉。
電動機停機能耗制動時的工作過程分析見上圖。
電動機能耗制動時的直流電流通路是:電源相線L1→開關QS→熔斷器FU1→接觸器KM2主觸點→熱繼電器FR→電動機W與V接線端子內部的繞組→熱繼電器FR→接觸器KM2主觸點→晶體二極管D→電阻R→電源中線N,形成一個完整回路,其中電阻R用于調整能耗制動電流大小即制動強度。
上圖中時間繼電器KT瞬間動作的常開觸點KT-2的作用分析如下:如果不使用該觸點,而時間繼電器線圈開路使時間繼電器失效時,能耗制動電源將不能切斷,可能引發設備事故。設計的思路是,時間繼電器正常時由KT-1延時斷開接觸器KM2的線圈電源,結束能耗制動;時間繼電器線圈開路損壞時,由于不能用使用KT-1延時斷開接觸器KM2的線圈電源,則由瞬動觸點KT-2斷開接觸器KM2的線圈自鎖通路,使制動電源不致于長時間通電。如果操作人員事先知曉時間繼電器故障,可以通過持續按壓停機制動按鈕SB1的方法直至制動結束松開按鈕。如果操作人員事先不知曉時間繼電器故障,與正常操作一樣,只點按一下停機制動按鈕SB1,這時電動機將停機而無有制動效果。由于這種制動方式常用于對制動要求不高的10kW以下小容量電動機,一般不會產生較大異常。
◆有變壓器的橋式整流能耗制動電路

這種制動方式的控制電路見上圖。常用于10kW以上較大容量的電動機。圖中T是整流變壓器,DZ是單相橋式整流器,電阻R用來調節制動電流,亦即調節制動強度。上圖與無變壓器的半波整流能耗制動電路的二次控制電路相同,原理分析也相同,這里不再贅述。兩個電路的區別是能耗制動使用的直流電源不同,一個是半波整流電源,一個是橋式整流電源,由于制動電源容量大小不同,因此適用于不同容量的電動機。
能耗制動的優點是制動平穩、準確,而且能量消耗較小,一般用于要求制動準確、平穩的場合,如機械加工機床等設備中。
控制電路相關閱讀
電動機正轉控制線路原理解讀
儀表工必知的電動機正反轉控制電路原理及應用
