工業電氣設備控制線路是依靠啟動按鈕、停止按鈕、轉換開關、交流接觸器、過熱保護繼電器等來對電動機進行控制,再由電動機帶動電氣設備中的機械部件運作,從而實現對電氣設備的控制。典型工業電氣設備控制線路主要是由供電線路、保護線路、控制線路、照明燈線路及三相交流電動機等部分構成的。
1、供電線路主要由輸入接線板和電源總開關QS構成,該線路用于為三相交流電動機及控制部件提供所需的工作電壓。
2、保護線路主要是由熔斷器和過熱保護繼電器構成的。熔斷器FU1、FU2為支路熔斷器,用于支路的過載、短路保護;熔斷器FU3-FU5為主線路熔斷器,用于主線路的過載、短路保護;過熱保護繼電器FR則用于三相交流電動機的過熱保護。
3、控制線路主要由啟動按鈕SB2、停止按鈕SB1和交流接觸器KM構成。通過啟停按鈕控制交流接觸器觸點的閉合與斷開,從而實現對三相交流電動機工作狀態的控制。
4、照明燈線路主要是由照明燈EL、燈座開關SA2以及照明變壓器T等構成的,用于車床工作時的照明。
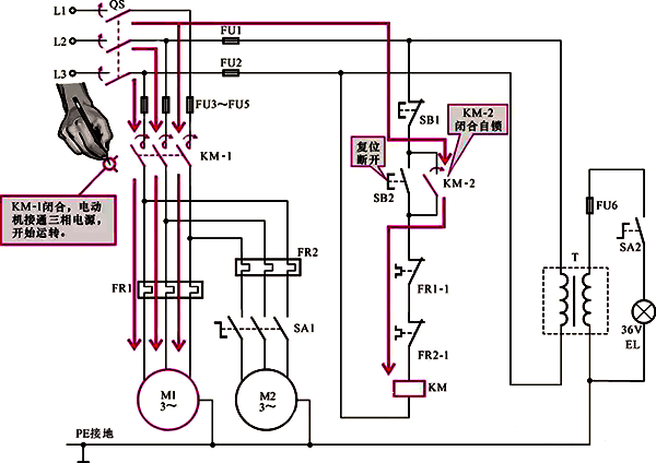
◆主軸電動機的啟動過程

圖1和圖2所示為主軸電動機的啟動過程,合上電源總開關QS,接通三相電源。按下啟動按鈕SB2,其內部常開觸點閉合。交流接觸器KM線圈得電。

交流接觸器KM線圈得電后,常開輔助觸點KM-2閉合自鎖,使KM線圈保持得電。常開主觸點KM-1閉合,電動機M1接通三相電源,開始運轉。
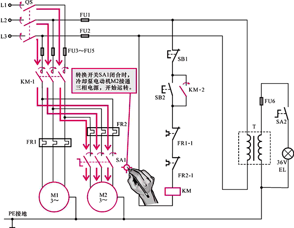
◆冷卻泵電動機的控制過程

圖3所示為冷卻泵電動機的控制過程。在主軸電動機M1得電運轉后,才能使用轉換開關SA1對冷卻泵電動機M2進行控制。轉換開關SA1在斷開狀態時,冷卻泵電動機M2失電,停止運轉。
轉換開關SA1在閉合狀態時,冷卻泵電動機M2接通三相電源,開始啟動運轉。
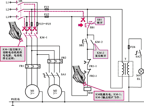
◆電動機的停機過程

圖4所示為電動機的停機過程。
當需要停機時,按下停機按鈕SB1。
交流接觸器KM線圈失電,其觸點全部復位。
常開主觸點KM-1復位斷開,切斷電動機供電電源,電動機停止運轉。
◆照明燈的控制過程

照明燈EL的36V供電電壓是由照明變壓器T次級輸出的。
照明燈EL的亮/滅狀態受燈座開關SA2的控制。
在需要照明燈時,可將SA2旋至接通的狀態。
此時照明變壓器次級為通路,照明燈EL亮。
將SA2旋至斷開的狀態,照明燈處于滅的狀態
相關閱讀
電動機正轉控制線路原理解讀
限位控制線路工作原理及限位控制電路
昌暉儀表談星形-三角形降壓啟動控制電路
