休眠功能要求
在恒壓供水控制系統中,為了節省電能并防止水泵頻繁啟停,當水泵的速度降到設定的最低頻率時,經過一段時間后變頻器會自動停止輸出,進入休眠狀態。當系統壓力低于設定的壓力值時,變頻器會自動喚醒并啟動水泵,保持恒壓供水。
系統接線與參數設置
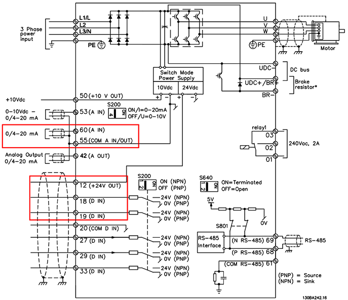
1、系統接線
變頻恒壓供水系統接線圖如下所示,需要連接壓力傳感器(60、55號引腳)、水泵等設備,使用18、9號引腳控制恒壓供水啟動。

2、參數設置以下是實現恒壓供水和休眠功能的主要參數設置:


通過這些參數設置,水泵在低負荷時可以自動進入休眠狀態,當系統壓力不足時可以自動喚醒水泵。
SLC邏輯配置
在丹佛斯FC51變頻器中,SLC(智能邏輯控制)是實現系統休眠和喚醒功能的關鍵。以下是SLC的主要邏輯配置步驟:
1、比較器設置
①設置比較器0的操作數為電動機速度,當速度低于20.1Hz時,認為系統滿足休眠條件。
②設置比較器1的操作數為壓力反饋,當壓力低于4.0bar時,認為需要喚醒系統。
2、計時器設置
①計時器0用于延時進入休眠狀態,設置為10秒。
②計時器1用于延時喚醒,設置為10秒。
3、邏輯規則設置
①邏輯規則0結合比較器0和計時器0,用于判斷何時進入休眠狀態。
②邏輯規則1結合比較器1和計時器1,用于判斷何時喚醒系統。
4、SL控制器事件與動作
①當邏輯規則0滿足時,停止變頻器輸出,進入休眠狀態。
②當邏輯規則1滿足時,啟動計時器1,喚醒變頻器,重新啟動水泵。
相關閱讀
◆昌暉儀表談變頻恒壓供水那些事兒
◆變頻器PID控制模式實現恒壓供水的一些經驗
◆變頻恒壓供水系統壓力不穩和容易振蕩的原因
