YR-D300電壓/電流表特點
1、流線型面框設計,茶色濾光透明窗,在光照直射下具有較高的顯示清晰度。
2、采用全自動SMT+SMD工藝制造,工藝精湛。
3、多種供電方式選擇,可滿足不同用戶的需求。
4、外觀多樣化,大屏LED顯示,一目了然。
5、無需設置參數,根據所選擇量程大小即插即用。
6、具有測量精度高、線性度好、靈敏度高等特點。
7、具有較高等級電氣特性,符合國標的相關技術指標。
8、產品體積小,集成度高,可節省開關控制柜和配電柜的空間。
YR-D300電壓/電流表技術參數
1、量程:
◆交流電壓:0.2V/2V/20V/200V/600V
◆交流電流:2mA/20mA/200mA/2A
◆直流電壓:0.2V/2V/20V/200V/600V
◆直流電流:2mA/20mA/200mA/2A/20A/200A(其中20A、200A要選配分流器使用)
2、YR-D300電壓/電流表精度:0.5%
3、YR-D300電壓/電流表外形尺寸:

◆72×36×52mm(寬×高×深),開孔尺寸:69×33.5mm
◆79×42×52mm(寬×高×深),開孔尺寸:76×39.5mm
◆96×48×52mm(寬×高×深),開孔尺寸:93×45.5.5mm
4、顯示范圍:0~±1999,小數點可通過內部PCB板短路環切換
5、顯示:三位半,紅色0.56寸或0.8寸數碼管
6、顯示溢出:“-1”或“1”
7、耐壓強度:AC1500V 1min/50Hz
8、絕緣阻抗:500MΩ DC500V
9、工作溫度:0-50℃(無凝露、無結冰)
10、相對濕度:25%~85%RH
11、保存溫度:-10~60℃(無凝露、無結冰)
12、工作電源:AC220V±10%(50/60Hz);AC/DC12-32V
13、功耗:≤1.2W
YR-D300電壓/電流表選型表
YR-D300①-②-③-④
①外形尺寸
[7]:72×36mm(寬×高),開孔尺寸:69×33.5mm
[8]:79×42mm(寬×高),開孔尺寸:76×39.5mm
[9]:96×48mm(寬×高),開孔尺寸:93×45.5.5mm
②輸入類型
[AC]:交流
[DC]:直流
③量程范圍
[V1]:電壓0.0-199.9mV(分辨力0.1mV,輸入阻抗>5.1MΩ)
[V2]:電壓0.000-1.999V(分辨力1mV,輸入阻抗>500kΩ)
[V3]:電壓0.00-19.99V(分辨力10mV,輸入阻抗>500kΩ)
[V4]:電壓0.0-199.9V(分辨力100mV,輸入阻抗>5.1MΩ)
[V5]:電壓0.0-600.0V(分辨力1V,輸入阻抗>5.1MΩ)
[I1]:電流0.000-1.999mA(分辨力0.001mA,輸入阻抗>100Ω)
[I2]:電流0.00-19.99mA(分辨力0.01mA,輸入阻抗>10Ω)
[I3]:電流0.0-199.9mA(分辨力0.1mA,輸入阻抗>1Ω)
[I4]:流0.000-1.999A(分辨力1mA,輸入阻抗>0.11Ω)
[I5]:流電流0.00-19.99A(選配20A分流器)(分辨力10mA,輸入阻抗>5.1MΩ)
[I6]:直流電流0.0-199.9A(選配200A分流器)(分辨力100mA,輸入阻抗>5.1MΩ)
④儀表電源
[T]:AC220V±10%(50/60Hz)
[W]:AC/DC12-32V
選型舉例
YR-D3007-AC-V2-T
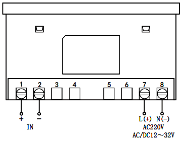
YR-D300電壓/電流表接線圖

YR-D300電壓/電流表在直流電流20A、200A輸入時,需配分流器,接線見下圖

