YR-PH10系列pH/ORP監測儀應用于環保水處理、純凈水、循環水、鍋爐水等系統以及電子、電鍍、印染、化學、食品、制藥等制程領域的pH/ORP實時顯示和控制。pH/ORP監測儀采用高阻抗和戶外防水設計,測量穩定不跳字,抗干擾能力強,具備一路RS485通訊輸出、一路模擬信號輸出和兩路繼電器報警輸出,方便用戶構成水質采集分析控制系統。

pH/ORP監測儀特點
1、3.5英寸128×64點陣式白屏黑字液晶顯示,高亮度,高分辨率,方便數據讀取
2、戶外防水設計,YR-PH10系列pH/ORP監測儀防護等級IP65,外觀大方、高端
3、pH/ORP監測儀可拔插式接線端子,接線作業方便;標準M20×1.5電氣接口,防塵防水
4、pH/ORP監測儀支持中英文菜單切換
5、pH/ORP監測在線監測
6、pH/ORP監測儀支持電極校準功能
7、硅膠輕觸按鈕,人機交互好
8、pH/ORP監測儀手動/自動溫度補償可選
9、有3種模擬量變送輸出
10、2個報警接點輸出
11、RS484通訊(MODBUS RTU協議),方便用戶構成水質采集分析控制系統

pH/ORP監測儀技術參數
1、測量范圍
①pH:0-14pH
②ORP:-999~999mV
2、分辨率
①pH:±0.02pH
②ORP:±1mV
3、輸出信號
①變送輸出:4-20mA(負載電阻RL≤480Ω)、0-10mA(負載電阻RL≤960Ω)、0-20mA(負載電阻RL≤480Ω)
②報警輸出:2路繼電器觸點輸出,觸點容量AC220V/2A(阻性負載)
③通訊輸出:RS485通訊接口,波特率1200-38400bps可設置,標準MODBUS RTU通訊協議
4、穩定性:≤0.02pH/24h;≤3mV/24h
5、輸入阻抗:≥1012Ω
6、溫度補償:-10.0~130.0℃,精度±0.5℃;手動溫度補償模式;NTC10K,Pt1000自動溫度補償模式
7、工作溫度:-20~55℃
8、儲存溫度:-20~55℃
9、供電電源:AC/DC100-240V()50/60Hz)
10、防護等級:YR-PH10系列pH/ORP監測儀防護等級為IP65

11、安裝方式:YR-PH10系列pH/ORP監測儀盤裝式、壁掛式或管道式三種

12、質保:昌暉pH/ORP監測儀為10年使用壽命設計,質保24個月
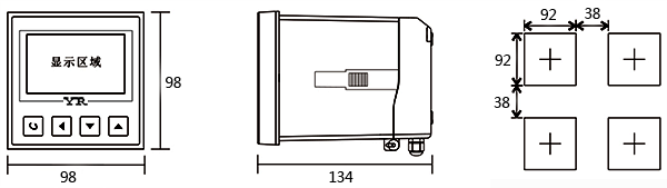
13、pH/ORP監測儀外形尺寸:98×98×134mm(寬×高×深);開孔尺寸:92×92mm(寬×高)

pH/ORP監測儀選型表
YR-PH10①-②③-④-⑤
①pH/ORP監測儀安裝方式
[01]:盤裝式
[02]:壁掛式
[02]:管道式
②pH/ORP監測儀通訊方式
[0]:無通訊
[8]:RS485
③pH/ORP監測儀變送輸出類型
[2]:4-20mA
[3]:0-10mA
[6]:0-20mA
④pH/ORP監測儀報警輸出
[2]:2限報警
⑤pH/ORP監測儀供電電源
[T]:AC/DC100-240V()50/60Hz)
昌暉pH/ORP監測儀選型舉例
YR-PH1001-82-2-T(盤裝式pH/ORP監測儀+RS485+4-20mA變送輸出+2限報警)
YR-PH1002-82-2-T(壁掛式pH/ORP監測儀+RS485+4-20mA變送輸出+2限報警)
YR-PH1003-82-2-T(管裝式pH/ORP監測儀+RS485+4-20mA變送輸出+2限報警)
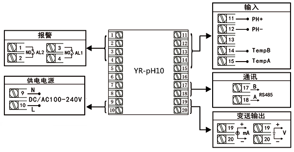
pH/ORP監測儀接線圖
pH電極安裝示意圖
