
主要技術參數
◆通道數:一入一出(型號SWP7081-1和SWP7083-1)或一入二出(型號SWP7081和SWP7083)
◆輸入信號:昌暉SWP7081和SWP7083隔離溫度變送器輸入信號類型和量程出廠時固定,用戶在現場不能修改
◆輸出信號:1路或2路隔離4-20mA/1-5V(需要在訂貨時注明,用戶不能修改)

◆輸出精度:0.3%F.S
◆儀表電源:20-35VDC
◆負載電阻:4-20mA輸出時負載電阻≤800Ω;1-5V輸出時負載電阻≥10KΩ
◆電源保護:電源反向保護
◆溫度漂移:0.01%F.S/℃
◆儀表結構:ABS塑殼結構
◆儀表重量:約150g
◆功耗:≤2.3W
◆使用環境:
①SWP7081和SWP7083隔離溫度變送器周圍環境中不得有強烈振動、沖擊以及大電流和火花等電磁感應影響,空氣中應不含有對鉻、鎳、銀鍍層起腐蝕作用的介質。
②SWP7081和SWP7083連續工作溫度在-20~+60℃/相對濕度10%-90%RH工作環境中
③貯存條件:溫度-40~+80℃;相對濕度10%-90%RH
◆外形尺寸:115×100×23mm(深×高×寬)

昌暉儀表已技術升級推出輸入信號類型和量程可以編程的高性能0.1%精度高性能導軌式溫度變送器YR9031A,用戶可以同等價格升級為性能更優越的溫度變送器
昌暉隔離溫度變送器選型表
SWP①-②/③/④-⑥/⑦
①功能描述
[7081]:一入二出熱電偶溫度變送器
[7081-1]:一入一出熱電偶溫度變送器
[7083]:一入二出熱電阻溫度變送器
[7083-1]:一入一出熱電阻溫度變送器
②輸入信號類型
[B]:B分度號(鉑銠30-鉑銠6熱電偶)
[S]:S分度號(鉑銠10-鉑熱電偶)
[K]:K分度號(鎳鉻-鎳硅熱電偶)
[E]:E分度號(鎳鎘-銅鎳熱電偶)
[T]:T分度號(銅-銅鎳熱電偶)
[J]:J分度號(鐵-銅鎳熱電偶)
[W]:WRe(3-25)分度號鎢錸熱電偶
[W6]:WRe(5-26)分度號鎢錸熱電偶
[Cu50]:Cu50分度號銅電阻
[Pt100]:Pt100分度號鉑電阻
[Pt100.1]:Pt100.1分度號鉑電阻
③OUT1輸出信號類型
[I]:4-20mA
[V]:1-5V
④OUT2輸出信號類型
[省略]:一入一出溫度變送器
[I]:4-20mA
[V]:1-5V
⑤量程下限
[××]:數字
⑥量程上限
[××]:數字
熱電偶隔離溫度變送器SWP7081接線圖

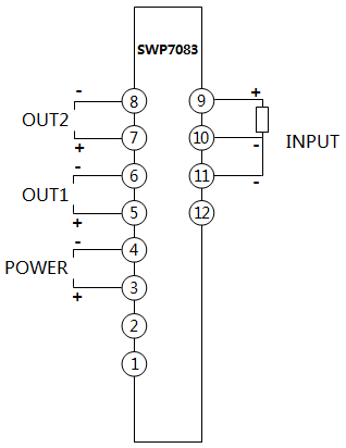
熱電阻隔離溫度變送器SWP7083接線圖
