
SWP-ST61T28產品特點
◆抗50/60Hz工頻干擾設計,適合工業現場
◆進口高速微處理器,響應速度快
◆SWP-ST61T28為多曲線擬合分段校對,消除非線性誤差
◆輸出電流多點校對,減小溫度漂移
◆非易失性存儲器,具備掉電存儲和數據恢復功能
◆具有自診斷和故障報警輸出功能
◆LCD同時顯示多個監測變量
◆可通過RS485遠程進行參數設定和功能組態
◆SWP-ST61T28可通過按鍵就地進行參數設定和功能組態
◆量程、零點、阻尼現場連續可調
SWP-ST61T28溫度變送器技術指標
測量介質:液體或氣體
輸出信號:二線制4-20mA、RS485(標準Modbus-RTU協議)
波特率:1200-115200bps
供電電壓:12~36VDC
采樣速率:≥10次/秒
精度等級:0.1%FS,0.25%FS,0.5%FS
顯示范圍:SWP-ST61T28溫度變送器LCD顯示-99999~99999
工作條件:環境濕度0%~95%RH(無冷凝無結露);環境溫度-40~85℃(液晶-20~70℃)
抗震性能:10g(20~2000Hz)
穩定性能:±0.1%FS/年
整體重量:≈1000g
電磁兼容:SWP-ST61T28符合EN61326-1:2006
防護等級:IP65(電氣連接完整后達到)
最大功率:≤0.02Us(W) Us=供電電壓
電源電壓與外接負載電阻關系圖

SWP-ST61T28面板布局
SWP-ST61T28溫度變送器顯示面板具有三按鍵S、Z、M和LCD顯示窗口。

SWP-ST61T28接線圖

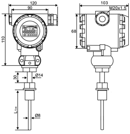
SWP-ST61T28外形尺寸圖

SWP-ST61T28溫度變送器選型表
SWP-T61①②③④⑤⑥⑦⑧
①產品類型
[T28]:2088外殼溫度表
②測量范圍/量程調節范圍
[08]:Cu50/-50~150.0℃
[09]:Pt100/-199~850℃
[10]:Pt100.1/-199.9~320.0℃
[T]:特殊定制
③輸出方式
[N]:二線制4-20mA
[C]:二線制4-20mA+RS485通訊接口(MODBUS RTU 通訊協議)
④過程連接方式和保護管材料
[R]:G1/2外螺紋/不銹鋼1Gr18Ni9Ti
[G]:M20×1.5外螺紋/不銹鋼1Gr18Ni9Ti
[M]:M27×2外螺紋/不銹鋼1Gr18Ni9Ti
[T]:特殊定制
⑤顯示表頭
[省略]:無液晶顯示表頭
[M2]:LCD顯示
⑥精度等級
[1]:0.1%
[2]:0.25%
[5]:0.5%
⑦防雷類型
[省略]:無防雷要求
[f]:防雷
⑧溫度傳感器插入深度mm
[**]:見外形結構圖,填上具體的數值
典型型號:SWP-ST61T2808NCMM22f-50
