YR-ER102遠傳壓力變送器用于測量液體、氣體或蒸汽的液位、密度、壓力,然后將其轉變為4-20mA+HART電流信號輸出。單晶硅遠傳壓力變送器也可與HART手持終端或RSM100 Modem相互通信,通過它們變送器進行參數設定、過程監控等。YR-ER102遠傳壓力變送器的測量范圍(未遷移時)為0-6kPa-25MPa,遠傳法蘭的額定壓力分別為1.6/4MPa、6.4MPa、10MPa、150psi、300psi或600psi

看圖識單晶硅遠傳壓力變送器
以上外形的單晶硅遠傳壓力變送器是昌暉儀表獨有外觀,具有很好的辨識度,您在見到這種外形的產品,皆源自昌暉儀表,高性能單晶硅遠傳壓力變送器自然找生產廠家最便宜!分享這張圖,記住昌暉儀表電話(0871-65127691),我們有禮相送哦!
YR-ER102遠傳壓力變送器結構上由YR-ER102壓力變送器和經焊接安裝的帶毛細管遠傳法蘭組成,單晶硅遠傳壓力變送器工作原理與單晶硅壓力變送器相同(參見單晶硅壓力變送器技術規格書),只是壓力傳遞路徑略有不不同:作用在遠傳法蘭側的壓力,首先經遠傳法蘭上的膜片和填充液,再經毛細管,最后到達測量單晶硅壓力傳感器的測量端。
單晶硅壓力變送器性能規格
◆ 測量參數:壓力、液位
◆ 測量范圍:下限值:-100%URL起(連續可調);上限值:至+100%URL起(連續可調)
量程:表1 單晶硅遠傳壓力變送器量程代碼與量程范圍關系對照表

表2 遠傳法蘭與最小量程關系對照表

單晶硅遠傳壓力變送器的最小量程應為表1和表2中最小量程的較大值。調節的量程不得小于最小量程。單晶硅遠傳壓力變送器的最大量程應為變送器本體最大量程與遠傳法蘭額定壓力兩者的最小值。
◆ 輸出:二線制,4-20mADC+HART輸出,數字通訊;輸出信號極限:Imin=3.9mA,Imax=20.5mA
◆ 報警電流:
①低報模式(最小):3.7mA
②高報模式(最大):21mA
③不報模式(保持):保持故障前的有效電流值
④報警電流標準設置:高報模式
◆ 響應時間:放大器部件阻尼常數為0.1s;傳感器和遠傳法蘭時間常數為0.2-6s,取決于傳感器的量程、量程比,毛細管的長度,以及充灌液的粘度。附加的可調時間常數為:0.1-60s。
◆ 安裝條件:
①不帶毛細管的遠傳壓力變送器可以通過遠傳法蘭直接安裝,位置偏差將產生可校正的零位偏移
②電子表殼最大可旋轉360,定位螺釘可將其固定于任何位置。
③單晶硅遠傳法蘭與符合ANSI/DIN標準的配套法蘭相連接,該配套法蘭應配有軟性墊片和安裝固定的螺栓、螺母(用戶可選配安裝螺栓、螺母)。
④對于帶毛細管的遠傳壓力變送器,如果遠傳密封裝置低于變送器本體,則遠傳密封裝置與變送器本體的最大高度落差應<5m。當工作壓力低于100kPa絕對壓力時,變送器本體必須低于遠傳密封裝置。
⑤毛細管的最小彎曲半徑為75mm,嚴禁纏繞!
◆ 環境溫度:最低:取決于填充液;最高:85℃;帶液晶顯示、氟橡膠密封圈是-20~+65℃
◆ 儲存溫度/運輸溫度:最低:取決于填充液;最高:85℃
◆ 相對濕度:0-100%
◆ 抗沖擊:加速度:50kg;持續時間11ms
◆ 抗振動:2g至500Hz
◆ 過程介質溫度極限:介質溫度:-20~400℃
表3 填充液、工作溫度和最小工作壓力關系表


注:超出以上工作溫度和壓力關系范圍的應特別指出,可以通過特殊設計來滿足要求。
◆ 變送器本體壓力極限:真空至最大壓力
◆ 遠傳法蘭額定壓力:ANSI標準:150psi-600psi;DIN標準:PN1.6MPa-PN10MPa
◆ 預熱時間:<15s
◆ 防爆性能:NEPSI隔爆許可:ExdⅡCT6;NEPSI本安許可:ExiaⅡCT4;允許使用溫度為-40~+65℃
◆ 電磁兼容性(EMC)

高精度單晶硅遠傳壓力變送器安裝
◆ 電源及負載條件:
①電源電壓為DC24V,R≤(Us-12)/Imax kΩ,其中Imax=23mA
②最大電源電壓:42VDC
③最小電源電壓:12VDC,15VDC(背光液晶顯示)
④數字通訊負載范圍:250-600Ω
◆ 電氣連接:M20×1.5電纜密封扣,接線端子適用于0.5-2.5mm2的導線
◆ 過程連接:遠傳法蘭符合ANSI標準或DIN標準。可直接安裝,法蘭尺寸參考尺寸圖
單晶硅遠傳壓力變送器物理規格
◆ 材質:測量膜盒:不銹鋼316L;膜片:不銹鋼316L、哈氏合金C、鉭
◆ 過程連接:不銹鋼316
◆ 填充液:硅油、高溫硅油、超高溫硅油、植物油
◆ 壓力變送器外殼:鋁合金材質、外表噴涂環氧樹脂
◆ 外殼密封圈:丁晴橡膠(NBR)
◆ 銘牌:不銹鋼304
◆ 重量:DN50/2英寸約7-10kg;DN80/3英寸約8-11kg;DN100/4英寸約9-12kg
◆ 外殼防護等級:IP67
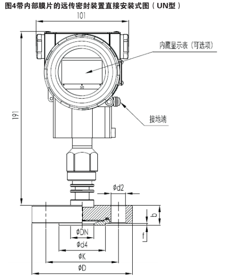
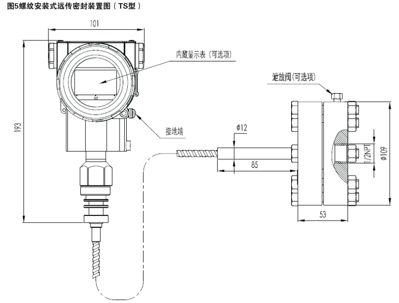
單晶硅遠傳壓力變送器外形尺寸





表4 基本型遠傳密封裝置結構尺寸表

表5 連接符合DIN 2501標準的帶內膜片的遠傳密封裝置結構尺寸表


單晶硅遠傳壓力變送器電氣接線圖

單晶硅壓力變送器型號和規格代碼表
單晶硅壓力變送器選型 YR-ER102- ①②③④⑤⑥⑦⑧⑨⑩/?
